EasyManua.ls Logo

WinGD RT-flex50DF - Page 258

Default Icon
586 pages
Print Icon
To Next Page IconTo Next Page
To Next Page IconTo Next Page
To Previous Page IconTo Previous Page
To Previous Page IconTo Previous Page
Loading...
Maintenance33031/A1
Winterthur Gas & Diesel Ltd.
2/ 5
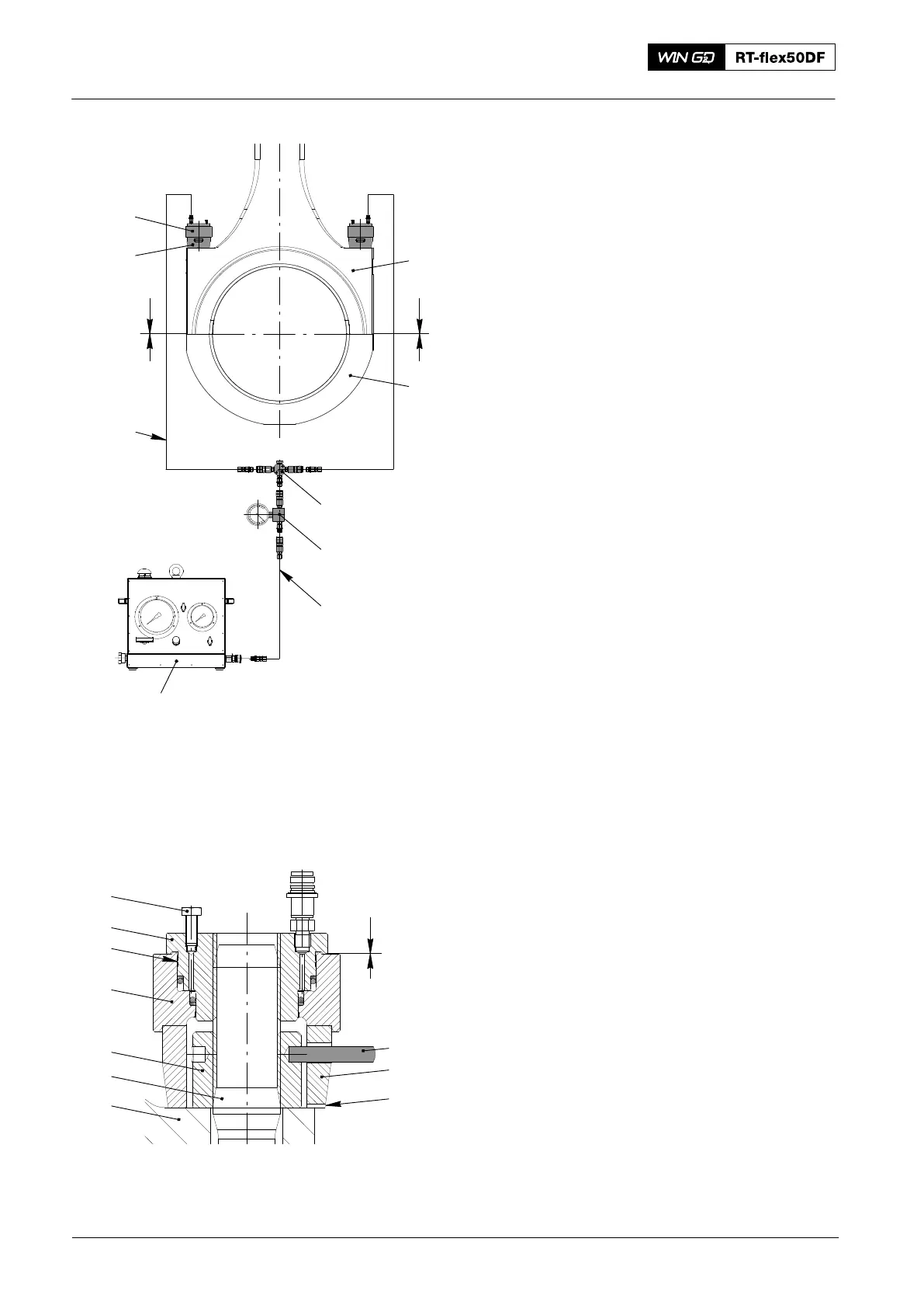
2. Loosening the stud of
bottom end bearing
1) Clean the threads of studs 4 and the
area around nuts 5.
2) Put the distance bushes 94314A on the
studs.
3) Attach and tighten the pre-tensioning
jacks 94314 with open vent screws 7
until there is only little or no clearance
at ’x’ (Fig. 3).
4) Screw back the pistons 8 by about ½
turn.
5) Connect the pre-tensioning jacks to
hydraulic unit 94942 as shown in Fig. 2.
6) Actuate the hydraulic unit until
bubble-free oil flows out through the
vent screws. Close the vent screws 7.
7) Actuate the hydraulic unit up to about
1530 bar and keep pressure constant.
Pistons 8 of the pre-tensioning jacks
must never exceed the red limiting
grooves ’BN’ (Fig. 3).
8) Use the round bar ’RS’ and screw back
the nuts 5 by one turn.
9) Release the pressure to ’0’ at the
hydraulic unit and then remove
pre-tensioning jacks.
2016
Loosening and Tensioning the Connecting Rod Studs
y
y
6
6
94934
94934A
94935
x
RS
20000
701.013.428.dxf
013.428/05
94314A
7
94314
94935
BN
8
9
4
6
KO
94314A
013429/05
94942
5
Fig. 2
Fig. 3

Table of Contents