EasyManua.ls Logo

WinGD RT-flex50DF - 2138−1;A1

Default Icon
586 pages
Print Icon
To Next Page IconTo Next Page
To Next Page IconTo Next Page
To Previous Page IconTo Previous Page
To Previous Page IconTo Previous Page
Loading...
Maintenance21381/A1
Winterthur Gas & Diesel Ltd.
2/ 5
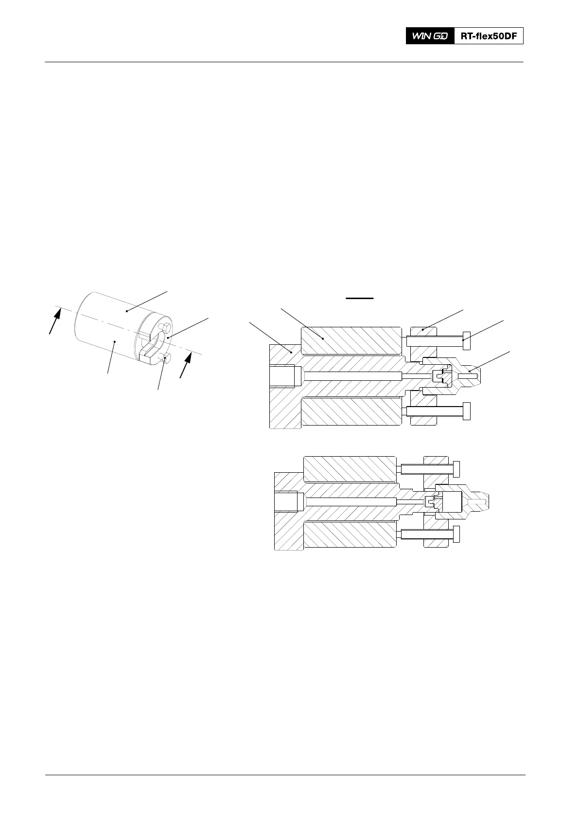
3. Nozzle Tip Replace
1) Remove the two bolts (2, Fig. 2) and the plate (1) from the distance sleeve (3).
2) Put the distance sleeve (3) on (5) of the lubricating quill.
3) Attach the plate (1) to the nozzle tip (4). Engage the collar on the plate with the
recess on the lubricating quill (5).
4) Turn equally the two bolts (2) to remove the nozzle tip (4) from the holder (5).
5) Remove the distance sleeve (3).
6) Attach a new new nozzle tip (4) to the holder (5).
7) Make sure that the nozzle tip (4) is correctly attached to the holder (5).
8) Do the procedure in paragraph 4.
Fig. 2
94213
I
I
1
2
3
I - I
1
2
3
4
5
A
B
WCH03861
201802
Lubricating Quill

Table of Contents