EasyManua.ls Logo

Yamaha 200A - Power Trim and Tilt Wiring Diagram

Yamaha 200A
281 pages
Print Icon
To Next Page IconTo Next Page
To Next Page IconTo Next Page
To Previous Page IconTo Previous Page
To Previous Page IconTo Previous Page
Loading...
60H5E11
8
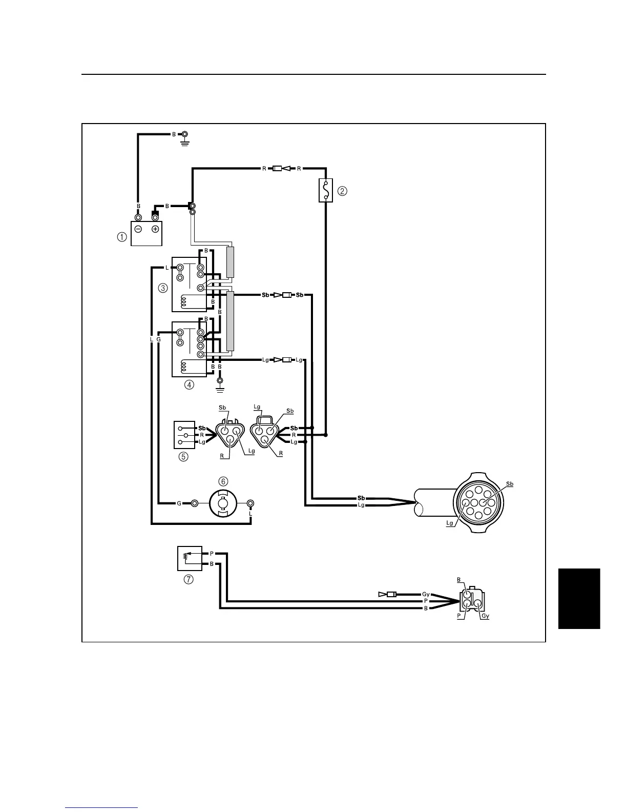
Power trim and tilt
60h80365
1 Battery (12 volts)
2 Fuse (20 amps)
3 PTT up relay
4 PTT down relay
5 Trailer switch
6 PTT motor
7 Trim sender
B : Black
R : Red
Sb : Sky blue
Lg : Light green
Gy: Gray
P : Pink
G : Green
L : Blue
8-22
Charging system / Power trim and tilt

Table of Contents

Related product manuals