EasyManua.ls Logo

Yamaha 200A - Page 70

Yamaha 200A
281 pages
Print Icon
To Next Page IconTo Next Page
To Next Page IconTo Next Page
To Previous Page IconTo Previous Page
To Previous Page IconTo Previous Page
Loading...
60H5E11
Fuel system
FUEL
60H40140
4-11
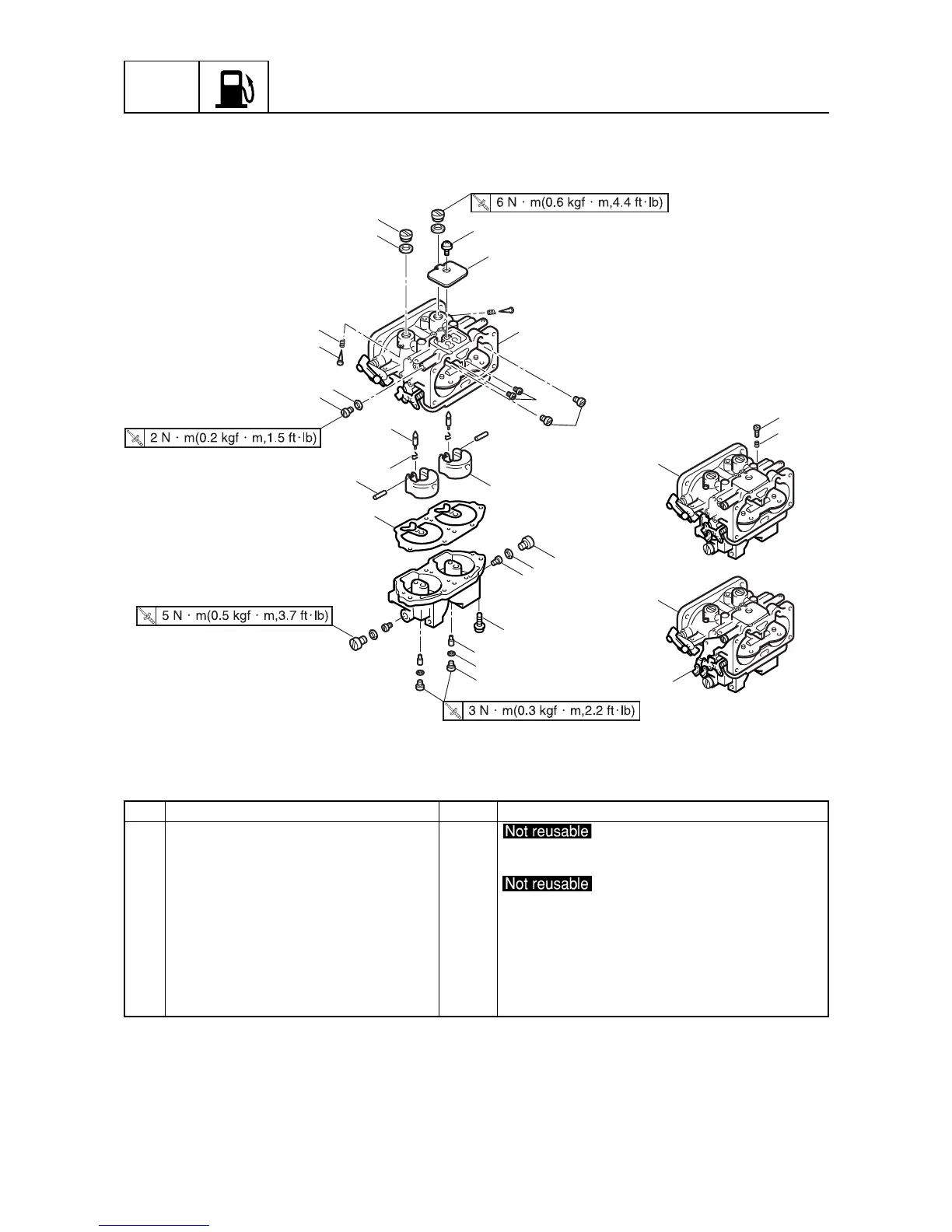
18 Gasket 6
19 Main jet 6
No. 1,3 : 150 / No. 2,4 : 154 / No. 5 : 152 / No. 6 : 158
20 Plug 6
21 Gasket 6
22 Slow jet 6
23 Screw 12 M5 x 16 mm
24 Idle adjusting screw 1
25 Spring 1
26 Carburetor 2 1
27 Carburetor 3 1
28 Choke joint 1
No. Part name Qty Remarks
1
2
3
4
5
6
7
8
9
10
11
12
13
14
15
16
17
18
19
20
21
22
23
24
25
26
27
28

Table of Contents

Related product manuals