EasyManua.ls Logo

YASKAWA LA500 - Control I;O Connections; Set Sinking Mode;Sourcing Mode; Set the Output Signal for the MFAO Terminal am

YASKAWA LA500
376 pages
To Next Page IconTo Next Page
To Next Page IconTo Next Page
To Previous Page IconTo Previous Page
To Previous Page IconTo Previous Page
Loading...
3.6 Control I/O Connections
62 YASKAWA SIEPYEULA5001C LA500 Technical Manual
3.6 Control I/O Connections
This section gives information about the settings for the listed control circuit I/O signals.
MFDI (terminals S1 to S7)
MFAO (terminal AM)
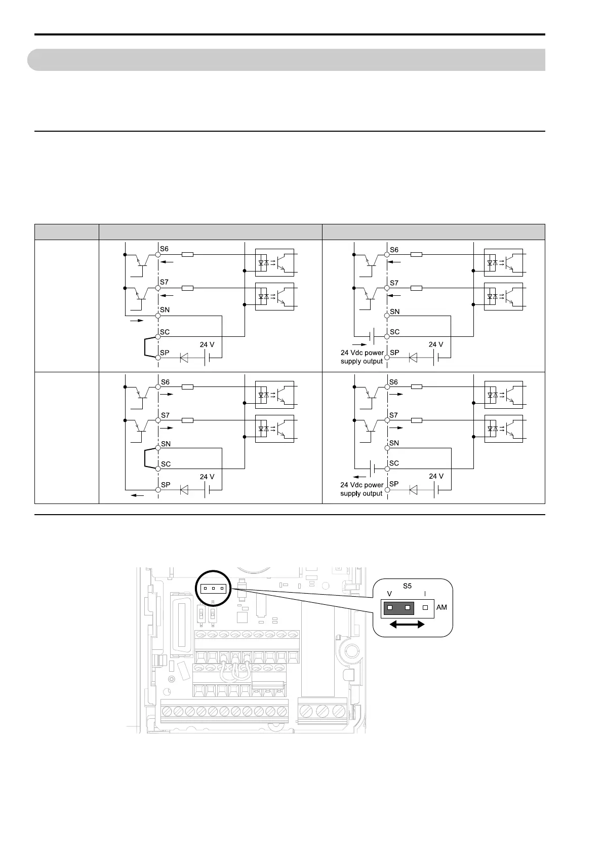
Set Sinking Mode/Sourcing Mode
Close the circuit between terminals SC-SP and SC-SN to set the sinking mode/sourcing mode and the internal/
external power supply for the MFDI terminals. The default setting for the drive is internal power supply sinking
mode.
NOTICE: Damage to Equipment. Do not close the circuit between terminals SP-SN. If you close the circuits between terminals
SC-SP and terminals SC-SN at the same time, it will cause damage to the drive.
Mode Internal Power Supply (Terminal SN-SP) External 24 V power supply
Sinking Mode
(NPN)
Sourcing Mode
(PNP)
Set the Output Signal for the MFAO Terminal AM
Set the signal type for terminal AM to voltage or current output. Use jumper S5 and H4-07 [Terminal AM Signal
Level Select] to set the signal type.
Figure 3.27 Location of Jumper Switch S5

Table of Contents

Other manuals for YASKAWA LA500

Related product manuals