EasyManua.ls Logo

Bosch Rexroth IndraDrive CsDrive System with HCS01 - Mechanical Data NFE; NFD

Bosch Rexroth IndraDrive CsDrive System with HCS01
344 pages
To Next Page IconTo Next Page
To Next Page IconTo Next Page
To Previous Page IconTo Previous Page
To Previous Page IconTo Previous Page
Loading...
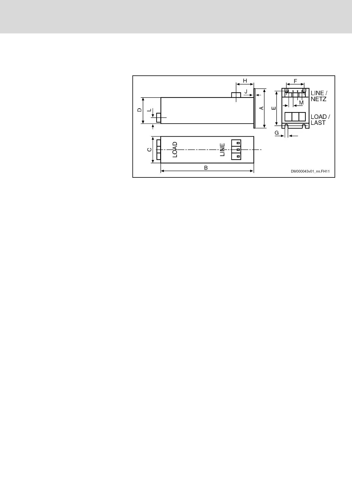
Mechanical Data NFE / NFD
NFE02.1
Type NFE02.1-230-008 (with 3 terminal connectors)
Fig. 8-45: Single-Phase Filter NFE02.1 for Drives
Allowed Mounting Positions
Every mounting position is allowed.
DOK-INDRV*-HCS01******-PR05-EN-P Bosch Rexroth AG 293/341
Rexroth IndraDrive CsDrive Systems with HCS01
Cables, accessories, additional components

Table of Contents

Related product manuals