EasyManua.ls Logo

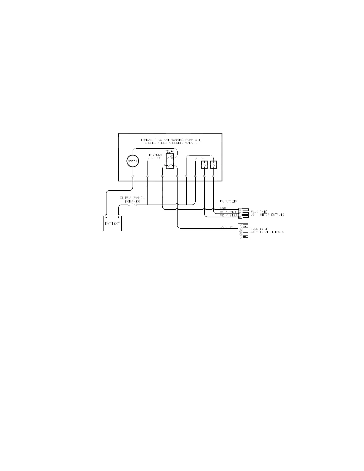
ComNav P4 - Solenoids; Figure 37 - Wiring Connections for Constant Running Electric Pump

ComNav P4
200 pages
Print Icon
To Next Page IconTo Next Page
To Next Page IconTo Next Page
To Previous Page IconTo Previous Page
To Previous Page IconTo Previous Page
Loading...
ComNav P4 Installation and Operation
Document PN 29010100 V1r0 - 61 -
NOTE: The wiring of Jog levers directly to standard 4-way valves is possible. Refer to the
diagram in Figure 28 for the proper way to wire Jog Levers. The diagram in Figure 36 above
assumes that an engine driven pump is used for the hydraulic system. In the case of an
electrically powered constant running pump, use the following connection, shown in Figure
37:
Figure 37 Wiring Connections for a Constant Running Electric Pump
Alternating Current (AC) Solenoids
ComNav’s CT4 Drive Box (PN 20350003) should be used to interface between the P4 SPU and
AC solenoid systems. Connect the CT4 to the SPU as per the instructions shipped with the CT4,
and the diagram in Figure 39:
Installation

Table of Contents

Related product manuals