EasyManua.ls Logo

GE Security EST3 - Page 144

GE Security EST3
388 pages
Print Icon
To Next Page IconTo Next Page
To Next Page IconTo Next Page
To Previous Page IconTo Previous Page
To Previous Page IconTo Previous Page
Loading...
Centralized audio applications
4.12 EST3 Installation and Service Manual
G
C
CONT 5A RES.240AC
1725S DC 24V
A410-367396-13
JAPAN 692NA
G
C
CONT 5A RES.240AC
1725S DC 24V
A410-367396-13
JAPAN 692NA
TB1
1 2 3 4 5 6 7 8 9 10 11 12 13 14
URSM
130102
TELEPHONE TELEPHONE
CHANNEL 2
TROUBLE
CHANNEL 1
TROUBLE
25V AUDIO 25V AUDIO
70V AUDIO 70V AUDIO
CHANNEL 2 CHANNEL 1
URSM
Red
Black
TB1
UL/ULC listed
47 K ohm EOL
1243
[2]
[1] [2]
[1] [2]
[2] [3]
(+)
(–)
Data out
To next device
(+)
(–)
Data in
[1] Supervised
[2] Power limited
[3] Nonpower-limited
4. The GFD and CT1 must
be installed in the same
enclosure
5. Jumper J1 on the GFD
should be set to the
2-3 position
Wiring notes
7
7
8
8
1
1
2
2
3
3
4
4
56
UL/ULC listed
47 K ohm EOL
+
+
+
+
TB2
TB2
TB1
––
Earth
GND
Power
Circuit pair 1 Circuit pair 2
IN IN
JP1
LED1 LED2
OUT
3-2-1
OUT
Trouble/GF Contacts
NC NOCOM
To earth
ground
Polarity is not
important
5
13
1
9
7
15
3
11
6
14
2
10
8
16
4
12
GFD
SIGA-CT1
SIGA-CT2
From UL/ULC
listed 24 VDC
fire alarm panel
(+)
(–)
Data out
(+)
(–)
From signature
controller or
previous device
To next device
Audio risers from
banked apmplifiers
Data in
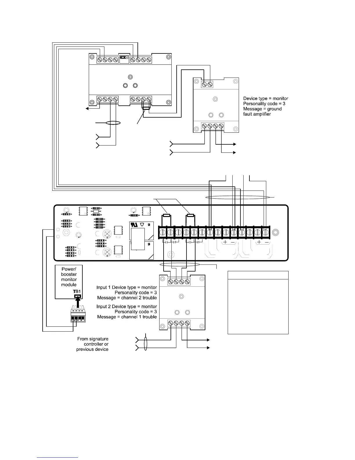
Figure 4-6: URSM wiring

Table of Contents