EasyManua.ls Logo

HBM QuantumX - Connection

HBM QuantumX
192 pages
Print Icon
To Next Page IconTo Next Page
To Next Page IconTo Next Page
To Previous Page IconTo Previous Page
To Previous Page IconTo Previous Page
Loading...
Mechanical
QuantumX A03031_24_E00_01 HBM: public 47
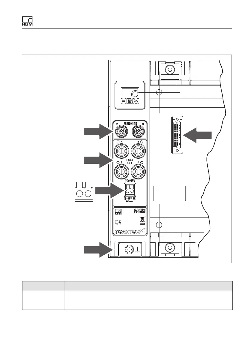
6.4.1 Connection
X1 / X2
IEEE1394b FireWire
(PC, external modules)
Fuses with
control LEDs
4 x 4 A/T
Supply voltage
18 V ... 30 V DC
5 A max.
Grounding
VG strip
Module
connection
+
-
Connector 1-CON-S1010)
is included)
Fig. 6.12 BPX001 connections
Fuse Protects
1 IEEE1394b FireWire X1 connection
2 IEEE1394b FireWire X2 connection

Table of Contents

Other manuals for HBM QuantumX

Related product manuals