EasyManua.ls Logo

HBM WTX110 - Anschluss 15-Bit-Analogausgang

HBM WTX110
436 pages
Print Icon
To Next Page IconTo Next Page
To Next Page IconTo Next Page
To Previous Page IconTo Previous Page
To Previous Page IconTo Previous Page
Loading...
Installation
WTX110 A4774-1.0 HBM: public 45
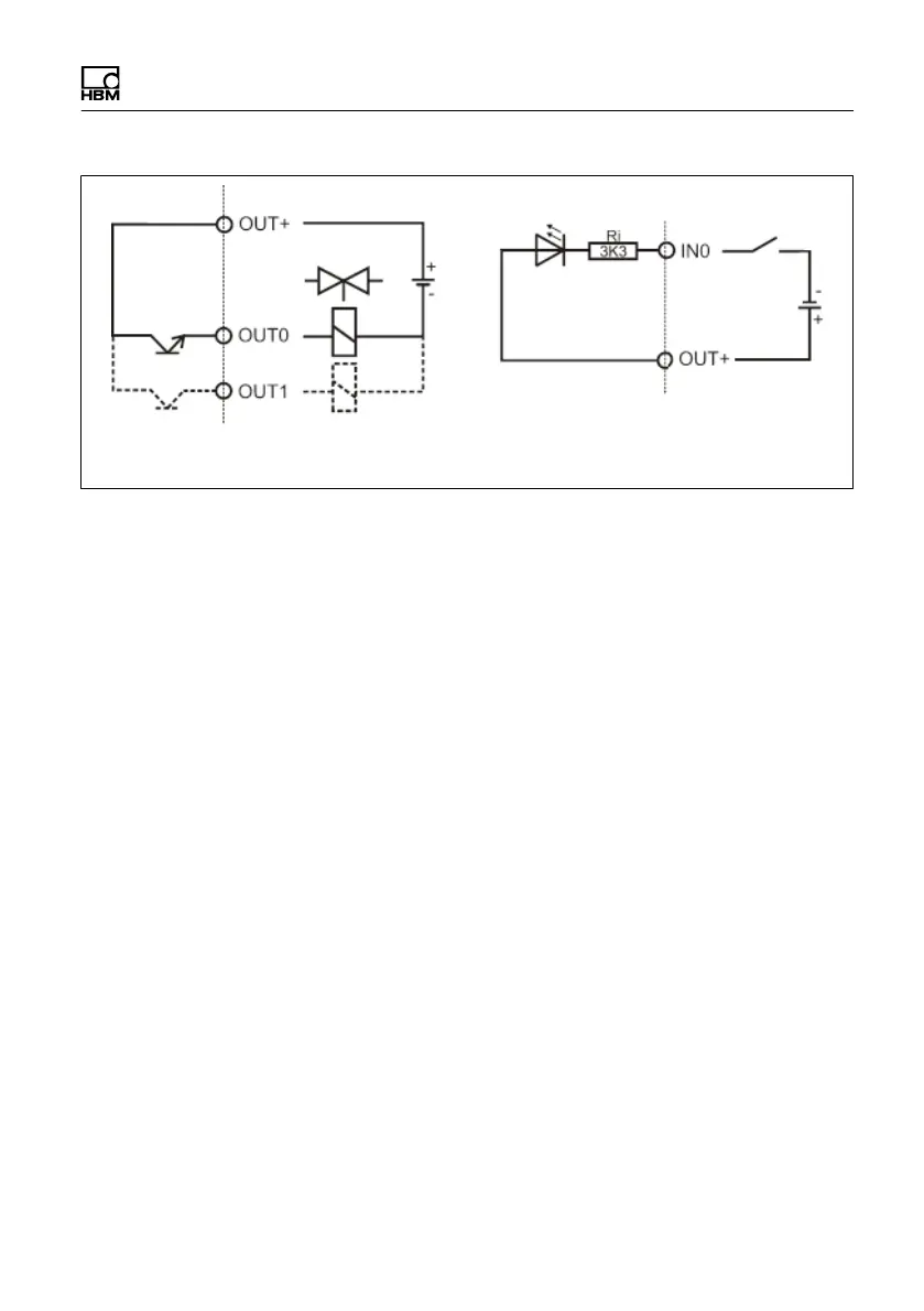
Digitaler Ausgang Digitaler Eingang
Abb. 4.7 Prinzipschaltbild DIO-Modul
4.12 Anschluss 15-Bit-Analogausgang
Wurde eine WTX110 mit der Option „AO“ bestellt, ist die Schnittstelle vollstän
dig vorkonfektioniert.
K-WTX110-*-***-**-***-AO-***-**
Je nach Gerätevariante ist das WTX110 mit einem Analogausgang auf Steck
platz PIM1 bestückt und mit DAU15 beschriftet. Für die Ausgabe von Brutto-
oder Nettogewicht über einen 15-Bit-Analogausgang kann ein Aufsteckmodul
(DAU15).

Table of Contents