EasyManua.ls Logo

HBM WTX110 - Connection of 15-Bit Analog Output

HBM WTX110
436 pages
Print Icon
To Next Page IconTo Next Page
To Next Page IconTo Next Page
To Previous Page IconTo Previous Page
To Previous Page IconTo Previous Page
Loading...
Installation
WTX110 A4774-1.0 HBM: public 43
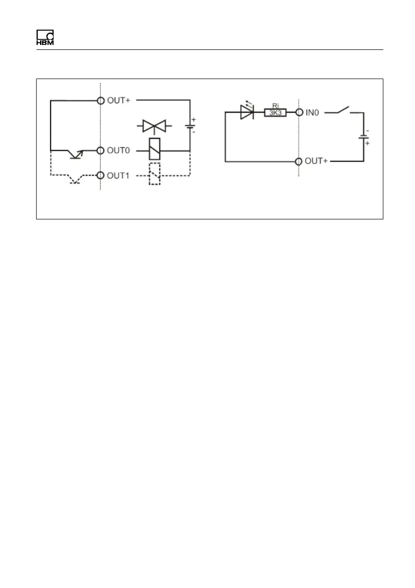
Digital output Digital input
Fig. 4.7 Schematic circuit diagram of DIO module
4.12 Connection of 15-bit analog output
If a WTX110 is ordered with option "AO," the interface is completely pre-wired.
K-WTX110-*-***-**-***-AO-***-**
Depending on the relevant variant of the device, the WTX110 is fitted with an
analog output in slot PIM1 and labeled with DAU15. A plug-on module
(DAU15) can be used to indicate gross or net weights via a 15-bit analog
output.

Table of Contents