EasyManua.ls Logo

Hill-Rom Affinity Three - Page 118

Hill-Rom Affinity Three
308 pages
Print Icon
To Next Page IconTo Next Page
To Next Page IconTo Next Page
To Previous Page IconTo Previous Page
To Previous Page IconTo Previous Page
Loading...
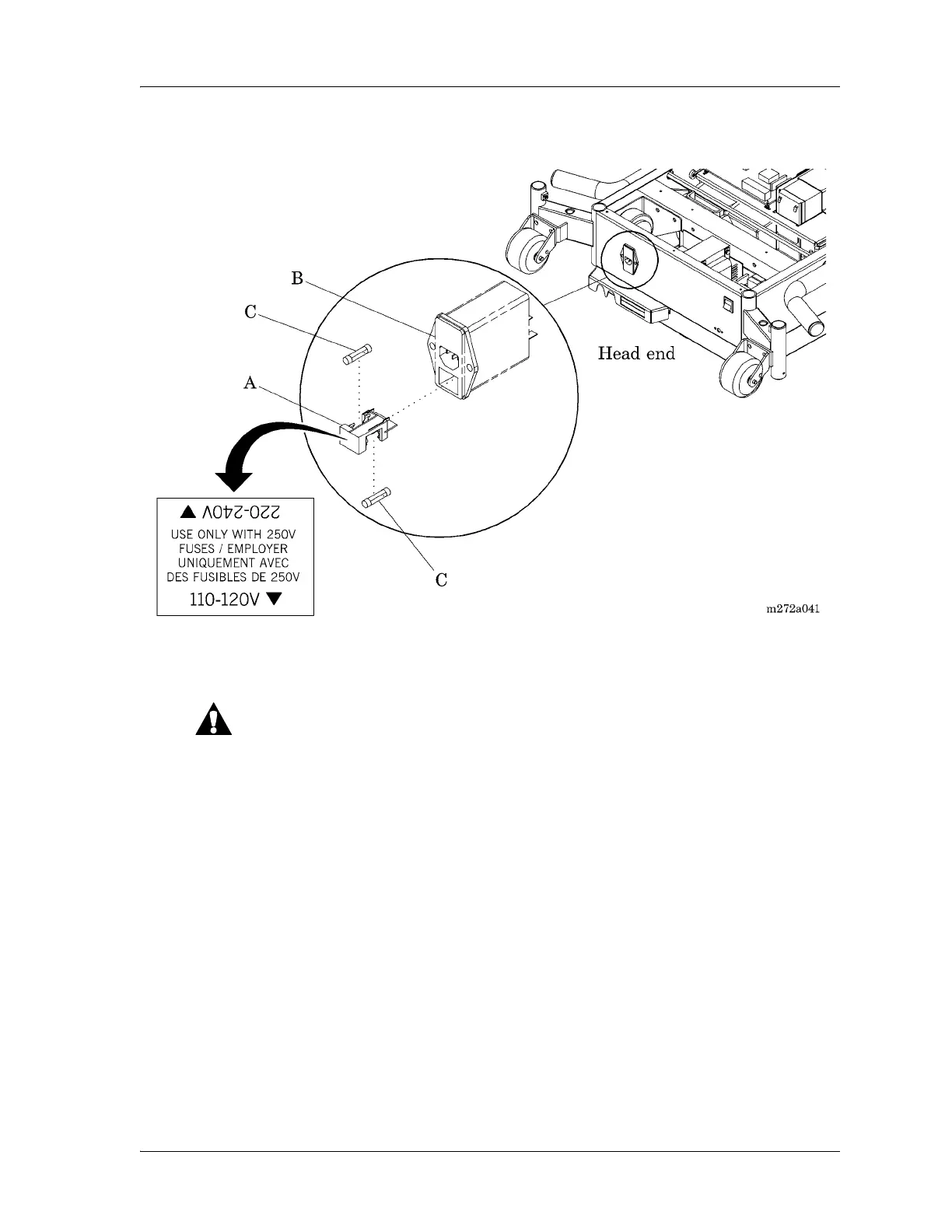
4.18 Line Voltage Fuses
Chapter 4: Removal, Replacement, and Adjustment Procedures
Page 4 - 46 Affinity® Three Birthing Bed and Affinity® Four Birthing Bed
Service Manual (MAN272 REV 4)
Figure 4-23. Fuse Location
Replacement
CAUTION:
Ensure that the fuse housing is properly oriented for the voltage rating
(110-120V or 220-240V) on the bed that you are servicing. Failure to do
so could result in equipment damage.
1. Orient the fuse housing properly for the voltage rating (110-220V or
220-240V) on the bed you are servicing.
2. Insert a serviceable line voltage fuse (C) into the fuse housing (A).
3. To install the replacement line voltage fuse (C), reverse the removal
procedures.
4. Do the “Function Checks” on page 2-4.

Table of Contents

Related product manuals