EasyManua.ls Logo

Hill-Rom Affinity Three - Electrical Cable Routing (Sheet 1 of 2)

Hill-Rom Affinity Three
308 pages
Print Icon
To Next Page IconTo Next Page
To Next Page IconTo Next Page
To Previous Page IconTo Previous Page
To Previous Page IconTo Previous Page
Loading...
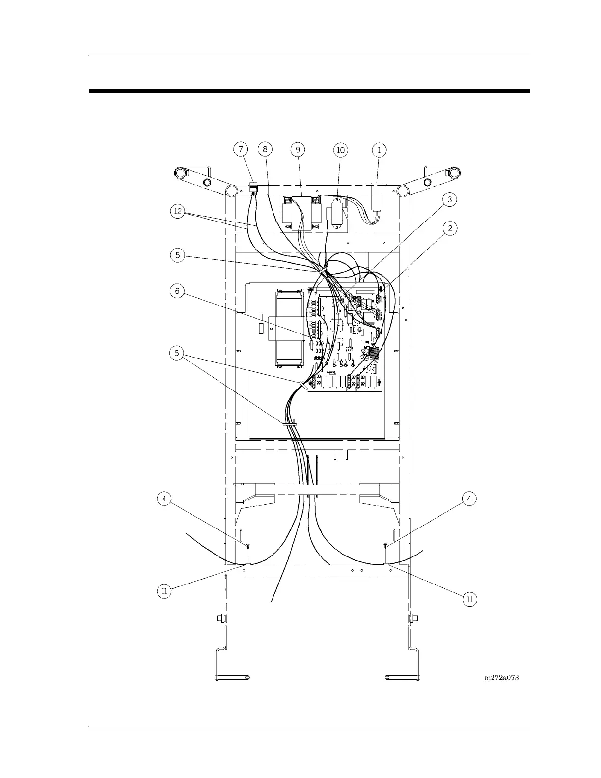
Electrical Cable Routing (Sheet 1 of 2)
Chapter 5: Parts List
Page 5 - 30 Affinity® Three Birthing Bed and Affinity® Four Birthing Bed
Service Manual (MAN272 REV 4)
Electrical Cable Routing (Sheet 1 of 2)
Figure 5-10. Electrical Cable Routing (Sheet 1 of 2)

Table of Contents

Related product manuals