EasyManua.ls Logo

Hill-Rom Affinity Three - Sleep Deck Module (Sheet 1 of 3)

Hill-Rom Affinity Three
308 pages
Print Icon
To Next Page IconTo Next Page
To Next Page IconTo Next Page
To Previous Page IconTo Previous Page
To Previous Page IconTo Previous Page
Loading...
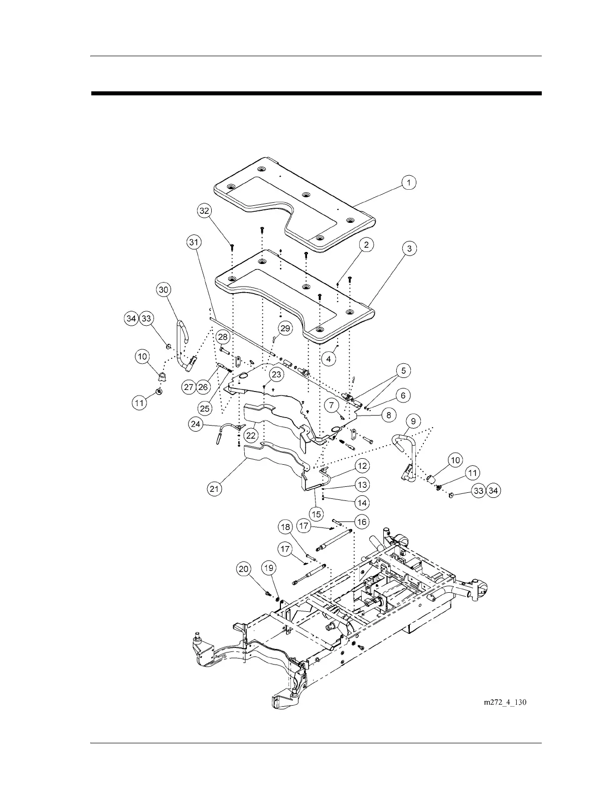
Sleep Deck Module (Sheet 1 of 3)
Chapter 5: Parts List
Page 5 - 34 Affinity® Three Birthing Bed and Affinity® Four Birthing Bed
Service Manual (MAN272 REV 4)
Sleep Deck Module (Sheet 1 of 3)
Figure 5-12. Sleep Deck Module (Sheet 1 of 3)

Table of Contents

Related product manuals