EasyManua.ls Logo

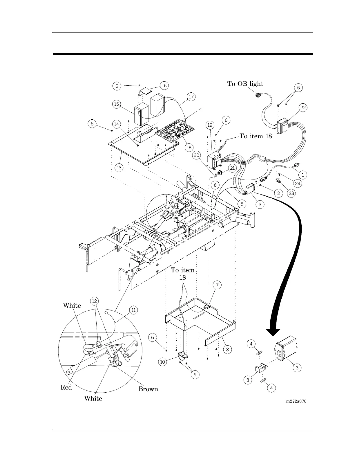
Hill-Rom Affinity Three - Electronics Module (Sheet 1 of 3)

Hill-Rom Affinity Three
308 pages
Print Icon
To Next Page IconTo Next Page
To Next Page IconTo Next Page
To Previous Page IconTo Previous Page
To Previous Page IconTo Previous Page
Loading...
Electronics Module (Sheet 1 of 3)
Chapter 5: Parts List
Page 5 - 24 Affinity® Three Birthing Bed and Affinity® Four Birthing Bed
Service Manual (MAN272 REV 4)
Electronics Module (Sheet 1 of 3)
Figure 5-7. Electronics Module (Sheet 1 of 3)

Table of Contents

Related product manuals