EasyManua.ls Logo

Hill-Rom Affinity Three - Page 136

Hill-Rom Affinity Three
308 pages
Print Icon
To Next Page IconTo Next Page
To Next Page IconTo Next Page
To Previous Page IconTo Previous Page
To Previous Page IconTo Previous Page
Loading...
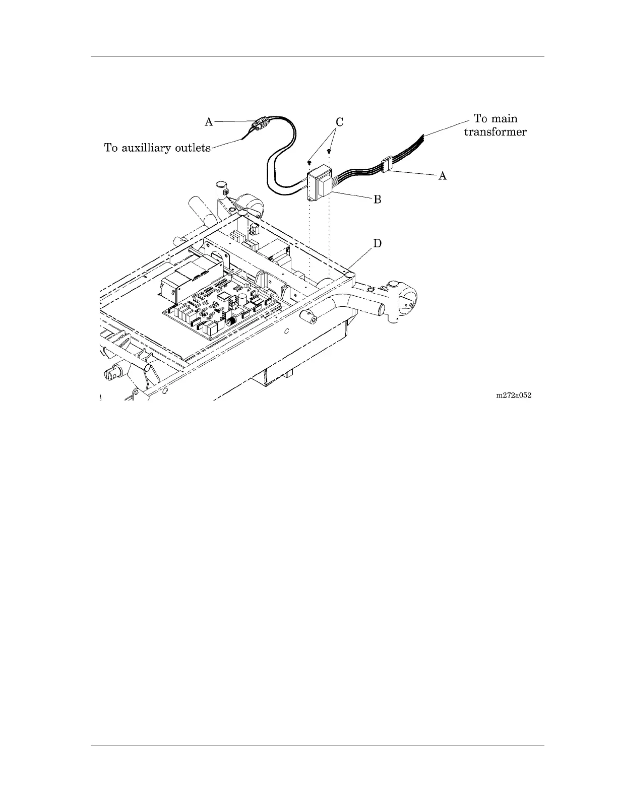
4.25 Auxiliary Transformer Assembly (Affinity® Three Bed)
Chapter 4: Removal, Replacement, and Adjustment Procedures
Page 4 - 64 Affinity® Three Birthing Bed and Affinity® Four Birthing Bed
Service Manual (MAN272 REV 4)
Figure 4-34. Auxiliary Transformer Assembly
Replacement
1. To install the replacement auxiliary transformer assembly (B), reverse the
removal procedures.
2. Ensure that the wiring connectors (A) are firmly connected to the auxiliary
transformer assembly (B).
3. Do the “Function Checks” on page 2-4.

Table of Contents

Related product manuals