Home
Hill-Rom
Medical Equipment
Affinity Three
Page 156
Hill-Rom Affinity Three - Page 156
308 pages
Manual
Save Page as PDF
To Next Page
To Next Page
To Previous Page
To Previous Page
Loading...
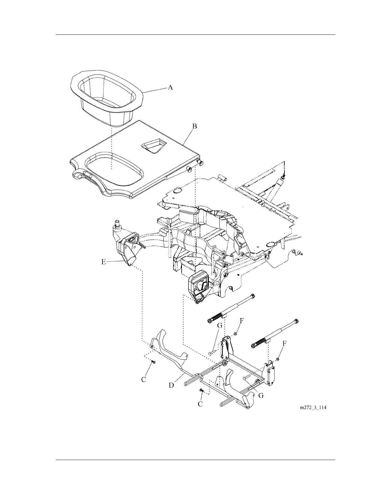
4.33 Stow and Go® Foot Section Wire Form
Chapter 4: Removal,
Rep
lacement,
and Adjustm
ent
Procedures
Page 4 - 84
Affinity® Thr
ee Birthing Bed
and Affinity®
Four Birthing
Bed
Service Manual (MAN272 REV 4)
Figure 4-42. Wire Form Removal
155
157
Table of Contents
Main Page
default chapter
5
Table of Contents
5
Chapter 1: Introduction
11
Purpose
11
Audience
11
Reference Documents
11
Document Symbols
12
Model Identification
13
Safety Tips
13
Warning and Caution Labels
22
Chapter 2: Troubleshooting Procedures
27
Getting Started
27
Test Equipment
28
Initial Actions
29
Quick Reference Problem/Solution Matrix
29
Function Checks
30
Hilow System Functional Check
31
Trend-Like Position Functional Check
32
Head System Functional Check
33
Foot System Functional Check
34
Air System Functional Check
35
Other Bed Functional Checks
35
Final Actions
36
Hilow Drive Operation Failures
37
Hilow up Malfunction
38
Hilow down Malfunction
40
Head Drive Operation Failures
42
Head up Malfunction
43
Head down Malfunction
45
Foot Drive Operation Failures
47
Foot up Malfunction
48
Foot down Malfunction
50
Hilow up Malfunction (When the Foot Section Is Lowered)
52
Brake Caster Malfunction
53
Bed Air Surface Malfunction
54
Night Light Does Not Illuminate
60
Siderail Mechanism Does Not Hold
61
Trend-Like Position Malfunction
62
Battery Back-Up Malfunction
63
CPR Release Malfunction
65
Electrical System
67
Theory of Operation
67
Chapter 4: Removal, Replacement, and Adjustment Procedures
73
Tool and Supply Requirements
73
Top Motor Cover
75
Bottom Motor Cover
77
Hilow Drive Motor Assembly
79
Hilow Limit Switch
83
Head Drive Motor Assembly
88
Foot Drive Motor Assembly
91
Foot Limit Switch
94
CPR Release
98
Trend-Like Position Sensing Switch
100
Trend-Like Position Gas Spring
102
Head Section Gas Spring and Damper (CPR Assist)
104
Foot Support Module
106
Night Light and Cable Assembly
109
Mattress Assembly
110
Labor Grips
111
Foot Section (Lift Off)
113
Foot Section (Slide Off)
115
Line Voltage Fuses
117
Battery Assembly
119
Bed Surface Air System Assembly
123
Air System Manifold Assembly
126
Air System Control P.C. Board Assembly
127
Logic Control P.C. Board Assembly
129
Transformer Assembly
133
Auxiliary Transformer Assembly (Affinity® Three Bed)
135
Lockout Switch Assembly
137
Siderail Assembly
139
Patient Siderail (Inboard) P.C. Switch Board
141
Caregiver Siderail (Outboard) P.C. Switch Board
143
Central Braking System-P3700A Model Only
145
Central Braking System-P3700B Model Only
149
Caster Assembly
152
Stow and Go® Foot Section Wire Form
155
Central Braking System-P3700B Model-New Brake Style
158
Caster Assembly-New Brake Style
161
Line Manager
164
Push Handles
166
Permanant IV Pole-P3732A
167
Chapter 5: Parts List
169
Service Parts Ordering
169
Exchange Policy
171
Warranty
173
Recommended Spare Parts
175
Caster Module
177
Main Frame Module
184
Siderail Module
188
Electronics Module (Sheet 1 of 3)
192
Electronics Module (Sheet 2 of 3)
195
Electronics Module (Sheet 3 of 3)
196
Electrical Cable Routing (Sheet 1 of 2)
198
Electrical Cable Routing (Sheet 2 of 2)
200
Sleep Deck Module (Sheet 1 of 3)
202
Sleep Deck Module (Sheet 2 of 3)
206
Sleep Deck Module (Sheet 3 of 3)
208
Label Module (Sheet 1 of 4)-P3700A
212
Label Module (Sheet 2 of 4)-P3700A
214
Label Module (Sheet 3 of 4)-P3700A
216
Label Module (Sheet 4 of 4)-P3700A
217
Foot Support Module-P3700A
218
Calf Support Module-P3700A
222
Air Module
224
Headboard-Wood Style
226
Caster Module-P3700B/C
227
Base Module-P3700B/C (Sheet 1 of 2)
228
Base Module-P3700B/C (Sheet 2 of 2)
232
Sleep Deck-P3700B/C
234
Foot Support Module-P3700B/C
238
Calf Support Module-P3700B/C/D
242
Label (Sheet 1 of 4)-P3700B/C/D
244
Label (Sheet 2 of 4)-P3700B/C/D
246
Label (Sheet 3 of 4)-P3700B/C/D
250
Label (Sheet 4 of 4)-P3700B/C/D
254
Caster Module-P3700D
257
Base Module-P3700D (Sheet 1 of 2)
258
Base Module-P3700D (Sheet 2 of 2)
262
Sleep Deck-P3700D
264
Foot Support Module-P3700D
268
Main Frame Module-P3700D
272
Sleep Deck Module-P3700D
276
Push Handles
278
Line Manager
279
Chapter 6: General Procedures
281
Cleaning
281
Steam Cleaning
281
Cleaning Hard to Clean Spots
282
Disinfecting
282
Draping the Mattress
282
Caring for the Wood Components
282
Servicing the Bed
283
Component Handling
284
Boards
284
Lubrication Requirements
285
Preventive Maintenance
286
Inspecting the Pivot Point Fasteners
286
Inspecting the Foot Supports
287
Inspect for the Labor Grip Plugs
289
Preventive Maintenance Schedule
290
Preventive Maintenance Checklist
293
Using Loctite® Adhesive
295
Purple Loctite® Adhesive #222 (P/N SA4842)
296
Blue Loctite® Adhesive #242 (P/N SA3618)
296
Red Loctite® Adhesive #262 (P/N SA4841)
296
Red Loctite® Adhesive #271 (P/N SA4840)
296
Chapter 7: Accessories
297
Accessories
297
Labor Bar (P3613)
299
Oxygen Tank Holder (P276)
301
Telescoping Calf Supports (P35745A) or Telescoping Full Leg Supports (P7634C)
302
Related product manuals
Hill-Rom Affinity P3700E
202 pages
Hill-Rom Advanta P1600
429 pages
Affinity Three Birthing Bed
66 pages
Hill-Rom P8000
444 pages
Hill-Rom P8005
444 pages
Hill-Rom LI900B2
94 pages
Hill-Rom Compella
2 pages
Hill-Rom 900 Series
94 pages
Hill-Rom VersaCare Bed
96 pages
Hill-Rom Basic Care Bed
176 pages
Hill-Rom Centrella Smart+
30 pages
Hill-Rom Liko Multirall 200
28 pages