EasyManua.ls Logo

IAI RoboNet - Page 198

IAI RoboNet
398 pages
Print Icon
To Next Page IconTo Next Page
To Next Page IconTo Next Page
To Previous Page IconTo Previous Page
To Previous Page IconTo Previous Page
Loading...
178
Part 1 S
p
ecification
[3] Parameter
Every time an instance is created, actual I/O memory addresses (or constants)
must be set for data exchange with
input/output variables. These set addresses (or constants) are called parameters.
z What is exchanged between the parameters and function block is the data of the size specified by the variable data
type. Take note that the parameter (address) information itself cannot be exchanged.
z The I/O memory addresses that can be used as parameters are limited to CIO (channel I/Os), A (special auxiliary
relays), D (data memory), E (extended data memory), H (holding relays) and W (internal auxiliary relays).
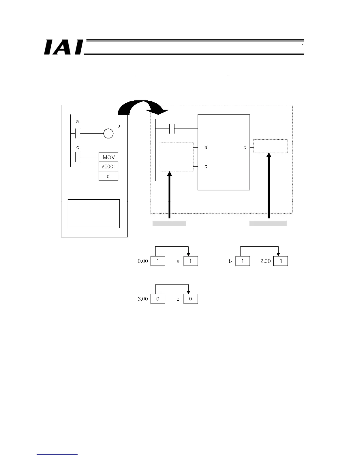
Function block definition A
(example)
A
lgorithm
Variable definition
Input variables a, c
Output variable b
Internal variable d
Program
Instance of function block definition A
Input source:
0.00
Input source:
3.00
Output source:
2.00
Input parameter Output parameter
The value (I/O) in 0.00 is passed to a.
The value (I/O) in 3.00 is passed to c.
The value (I/O) in b is passed to 2.00.

Table of Contents

Related product manuals