EasyManua.ls Logo

ID Technology 250 - Page 5

ID Technology 250
131 pages
Print Icon
To Next Page IconTo Next Page
To Next Page IconTo Next Page
To Previous Page IconTo Previous Page
To Previous Page IconTo Previous Page
Loading...
Model 250
Operators/Technical Manual Printer Applicator
Page 2 of 5
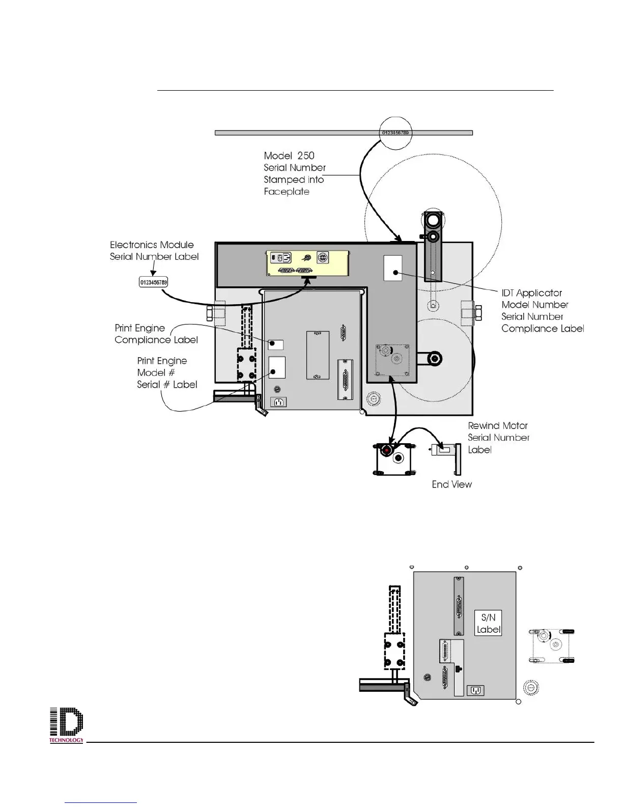
Locations of the Serial number and Model number labels: The serial number for the
applicator is stamped into the faceplate on the upper edge right near the unwind block.
The rewind motor is located under the back cover and the serial number label is on the
side of the motors enclosure. The electronics
module label is located on the bottom panel,
centered and close to the outside edge (the print
engine may need to be removed to read this label).
The machine shown above is mounted with the
Sato print engine. The picture to the right shows
the location of the Model Number / Serial Number
label on the Zebra PAX engines.

Table of Contents

Related product manuals