EasyManua.ls Logo

Kyocera KM-4035

Kyocera KM-4035
351 pages
To Next Page IconTo Next Page
To Next Page IconTo Next Page
To Previous Page IconTo Previous Page
To Previous Page IconTo Previous Page
Loading...
2FD/2FF/2FG
2-3-5
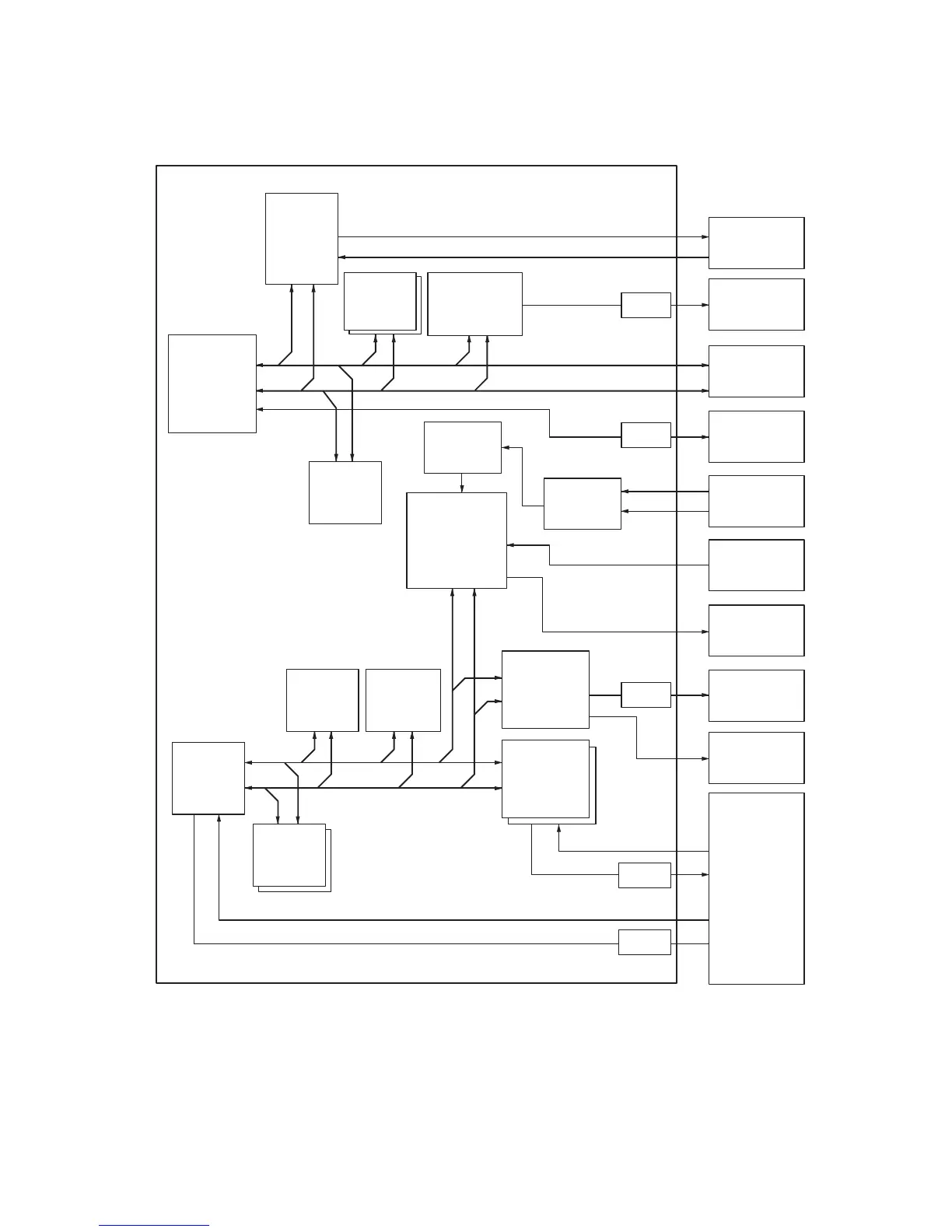
2-3-2 Main PCB
LCD display data
Fax transmission/
reception data
Odd
Analog image data
Scan signal
Main PCB
Detection signal input
Data bus
Address bus
Even
Printer data
Printing data
Control signal output
Detection signal input
Control signal output
Detaction signal input
Address bus
Data bus
Main CPU
U8
Main CPU
FLASH
U7
Main CPU
SRAM
U11, 56
XIO
U14,15
VTC
U22
MIP
U21
Operation unit
CPU
U26
Operation unit
XIO
U42
Operation
CPU
FLASH
U29, 34
LCD
controller
U24
Backup
FLASH
U9
A/D
converter
U17,18
S/H IC
U16
BUF
BUF
BUF
Driver
Driver
Fax board*
CCD PCB
Printer
board*
Compact
Flash
LCD
Operation
unit PCB
Scanner
drive PCB
LSU
High-voltage
transformer PCB
Paper feed unit
Drum unit
Developing unit
Fixing unit
DP*
Job separator*
Built-in finisher*
Booklet stitcher*
3000-sheet finisher*
1000-sheet finisher*
SDRAM
U25
*Optional.
Figure 2-3-3 Main PCB block diagram

Table of Contents

Other manuals for Kyocera KM-4035

Related product manuals