EasyManua.ls Logo

LeeBoy 6150 - Hydraulic Manifold - Lower

LeeBoy 6150
400 pages
Print Icon
To Next Page IconTo Next Page
To Next Page IconTo Next Page
To Previous Page IconTo Previous Page
To Previous Page IconTo Previous Page
Loading...
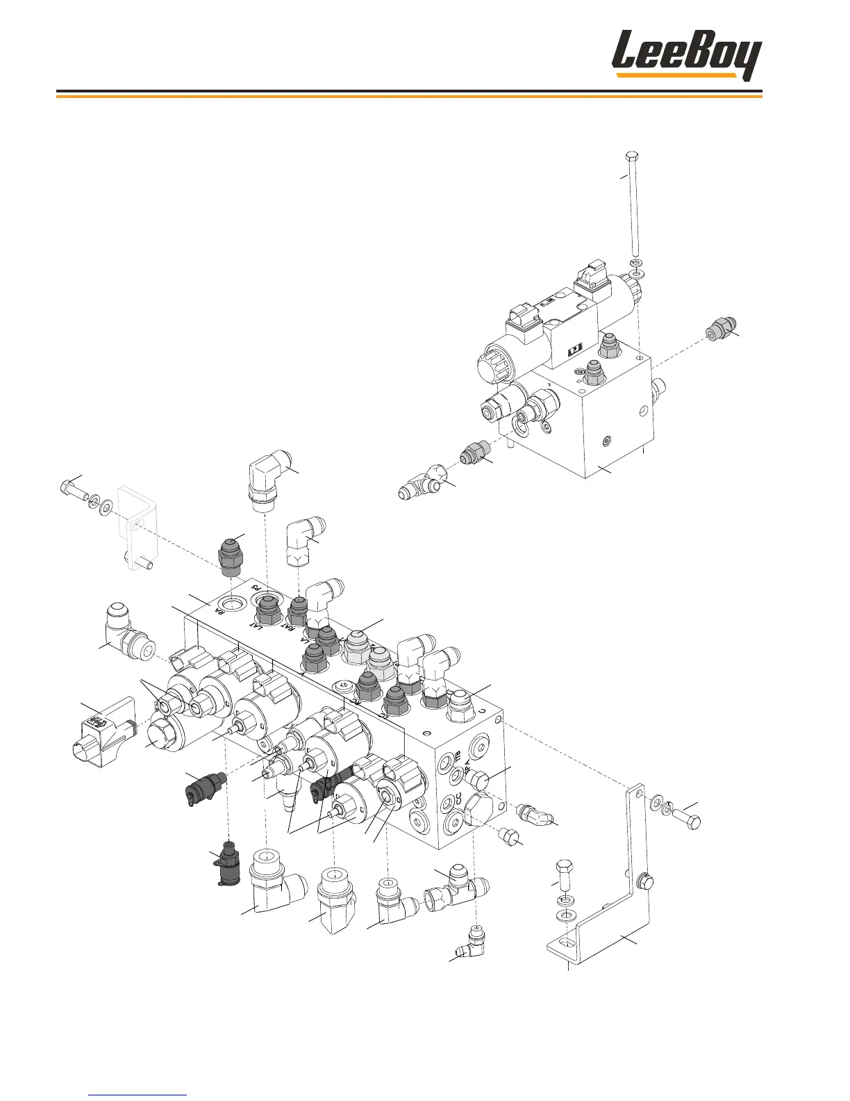
HYDRAULIC MANIFOLD - LOWER
1
2
3
4
5
20
6
6
7
5
2
8
9
10
11
12
13
14
13
15
16
17
18
19
22,23,24
25
27
28,29,30
22,23,24
31
32
33
34,35,36
32
20
26
21
21
Figure 7-21. Hydraulic Manifold - Lower
Illustrated Parts List
LeeBoy 6150 Conveyor Paver7-48

Table of Contents

Related product manuals