EasyManua.ls Logo

LeeBoy 6150 - Option - Screed Power Crown

LeeBoy 6150
400 pages
Print Icon
To Next Page IconTo Next Page
To Next Page IconTo Next Page
To Previous Page IconTo Previous Page
To Previous Page IconTo Previous Page
Loading...
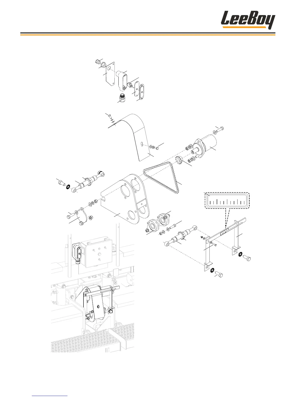
OPTION - SCREED POWER CROWN
Figure 7-46. Option - Screed Power Crown
986867
0
1
2
3
2
3
4
4
5
7
9
8
12
13
14
16
17
15
11
10
6
18
19,20
21,22,23
24,25,26
27,28,29,30
31,32,33
34,28,29,30
35,20
31,32,33
36
Illustrated Parts List
LeeBoy 6150 Conveyor Paver7-102

Table of Contents

Related product manuals