EasyManua.ls Logo

Maeda MC305C-3 - Moment Limiter (Overload Detector)

Maeda MC305C-3
294 pages
Print Icon
To Next Page IconTo Next Page
To Next Page IconTo Next Page
To Previous Page IconTo Previous Page
To Previous Page IconTo Previous Page
Loading...
M A E D A Mini-Crawler Crane Section 4 MOMENT LIMITER (OVERLOAD DETECTOR)
3/2019 MC305C-3 4-59
MOMENT LIMITER (OVERLOAD DETECTOR)
72B71BMoment Limiter Features
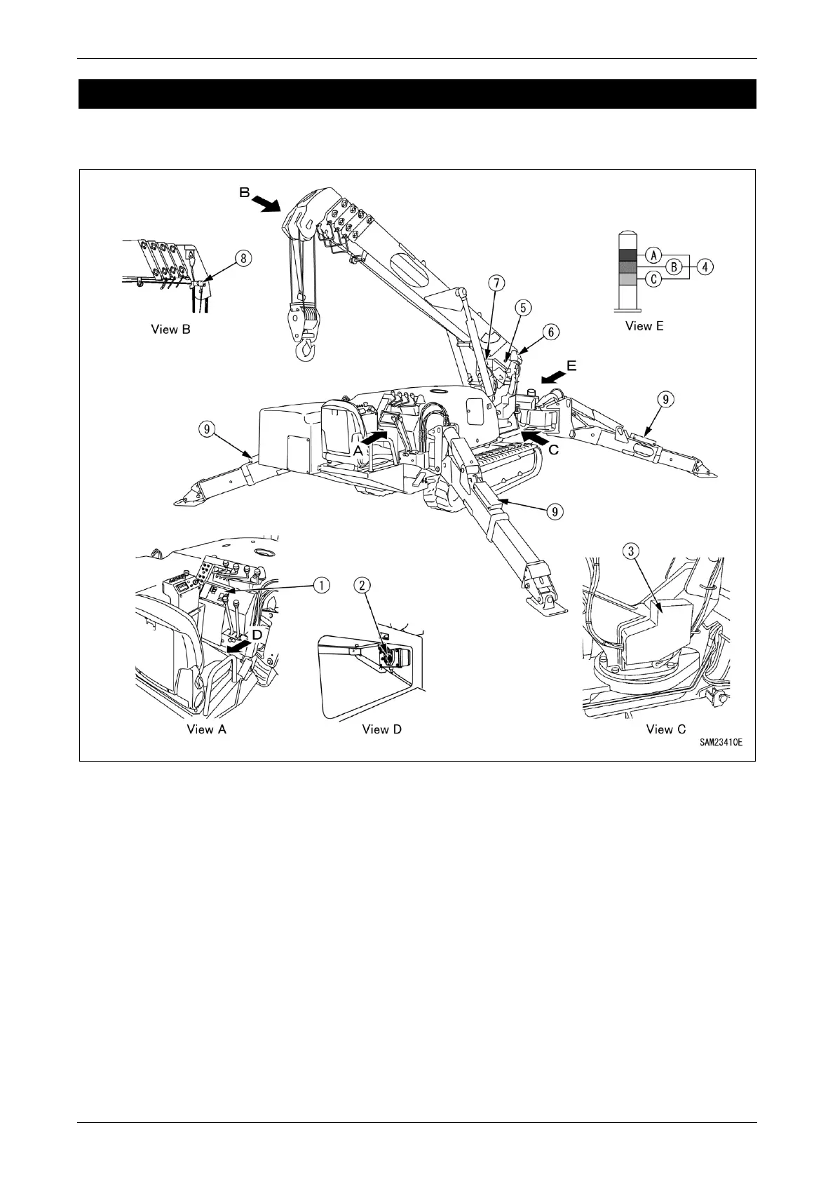
Fig. 4-165
1 - Moment limiter display unit
2 - Moment limiter override switch
3 - Moment limiter converter
4 - Working status lamp
(A) Red working status lamp (Warning light
for load factor of 100 % or more)
(B) Yellow working status lamp (Pre-warning
light for load factor of 90 to 100 %)
(C) Green working status lamp (Working
light for load factor of less than 90 %)
5 - Boom length gauge (inside boom)
6 - Boom angle gauge (side of boom rear edge)
7 - Pressure sensor (derrick cylinder) (two)
8 - Overwind alarm detector (side of boom tip)
9 - Outrigger position detection switch

Table of Contents

Related product manuals