EasyManua.ls Logo

Maeda MC305C-3 - Travel and Crane Controls

Maeda MC305C-3
294 pages
Print Icon
To Next Page IconTo Next Page
To Next Page IconTo Next Page
To Previous Page IconTo Previous Page
To Previous Page IconTo Previous Page
Loading...
Section 4 TRAVEL AND CRANE CONTROLS Mini-Crawler Crane M A E D A
4-4 3/2019 MC305C-3
TRAVEL AND CRANE CONTROLS
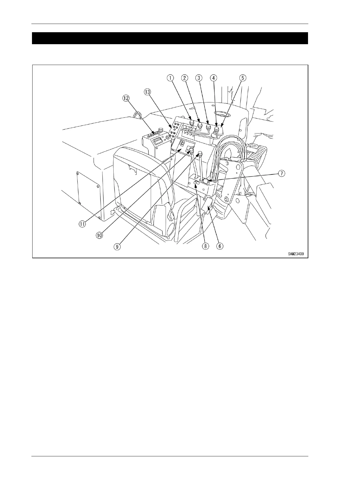
38B37BControl Location
Fig. 4-2
1 - Slewing lever
2 - Boom telescoping lever
3 - Winch lever
4 - Boom lift lever
5 - Outrigger un-set warning lamp
6 - Acceleration pedal
7 - Level gauge
8 - Travelling lock lever
9 - Right travelling lever
10 - Left travelling lever
11 - Moment limiter display panel
12 - Instrument panel
13 - Outrigger operation panel

Table of Contents

Related product manuals