EasyManua.ls Logo

Nortel SONET AccessNode 800A Series - DC power distribution

Nortel SONET AccessNode 800A Series
450 pages
Print Icon
To Next Page IconTo Next Page
To Next Page IconTo Next Page
To Previous Page IconTo Previous Page
To Previous Page IconTo Previous Page
Loading...
13-16 Cabinet and equipment wiring and cabling
AccessNode 323-3001-210 Issue 1.0
DC power distribution
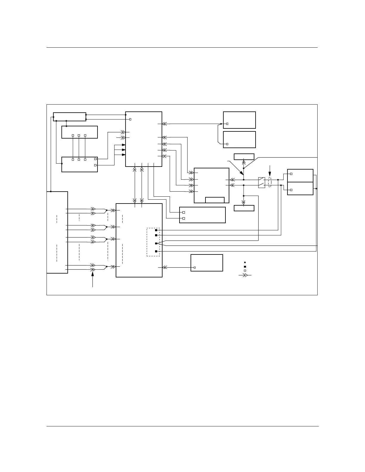
This section details the dc power distribution throughout the S800A.
Figure 13-9 shows the dc power distribution diagram.
Figure 13-9
DC power distribution diagram
FW-15248
Bat. Rtn. CU A
AC panel
Rectifier
shelf
FG Bar
AC
PWR
cables
FG
1
SPG
Bat 1
Bat 2
AB
Batt 1
Batt 2
Batt 3
Batt 4
Pin Field
Roof
fan units
Group 1
Roof
Fan units
Group 2
H/W TS
RPTR 1
10A
RPTR 1
PWR
RPTR 2
PWR
DSX
PWR
10A
RPTR 2
BIP
DC shelf
NT1W87BB
NT1W87BA
NT4K84YB
NT1W84DA
NT1W84DB
CU A
CU B
NT7A6980/82
NT1W87AB
NT1W64AA
NT1W64AA
NT1W64AA
NT1W64AA
NT1W64BA
NT1W64BA
NT1W64BA
NT1W64BA
NT1W64CA
NT1W64CA
NT1W64CA
NT1W64CA
B1
RECT 1
RECT 2
A1
A4
B4
B2
Legend:
- Wire-wrap pin
- Terminal block connector
- Plug-in connector
.
- Internal cable joint
FAN
BK
Bat. Rtn. CU B BK
Fan alarm (shelf fans) SL
Fan alarm (shelf fans) SL
Fan alarm (roof fans) BL
11
12
(-48 RTN)
30 amp outputs
BIP
NT1W87DA
Battery
breaker
panel
Strg 1
Strg 2
Strg 7
Strg 8
Strg 9
Strg 10
Strg 13
Strg 14
Battery
racks
NT4K84YB
Battery interface connector field
FW-15248
9
7
Fan shelf 2
Fan shelf 1
Bat 3
Bat 4
AC Compartment
Terminal
block
(TB 13)
2
3

Table of Contents

Related product manuals