EasyManua.ls Logo

ORKEL MP2000-X - Main Power Supply, E-Stop Switches and Electrical Cabinet

ORKEL MP2000-X
137 pages
Print Icon
To Next Page IconTo Next Page
To Next Page IconTo Next Page
To Previous Page IconTo Previous Page
To Previous Page IconTo Previous Page
Loading...
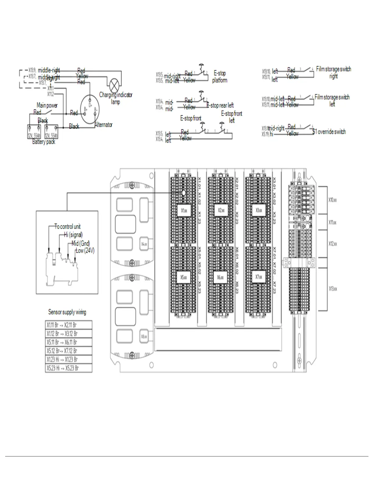
10.1 MAIN POWER SUPPLY, E-STOP SWITCHES AND ELECTRICAL CABINET
10 ELECTRICS 105

Table of Contents