EasyManua.ls Logo

ORKEL MP2000-X - Complete Diagram

ORKEL MP2000-X
137 pages
Print Icon
To Next Page IconTo Next Page
To Next Page IconTo Next Page
To Previous Page IconTo Previous Page
To Previous Page IconTo Previous Page
Loading...
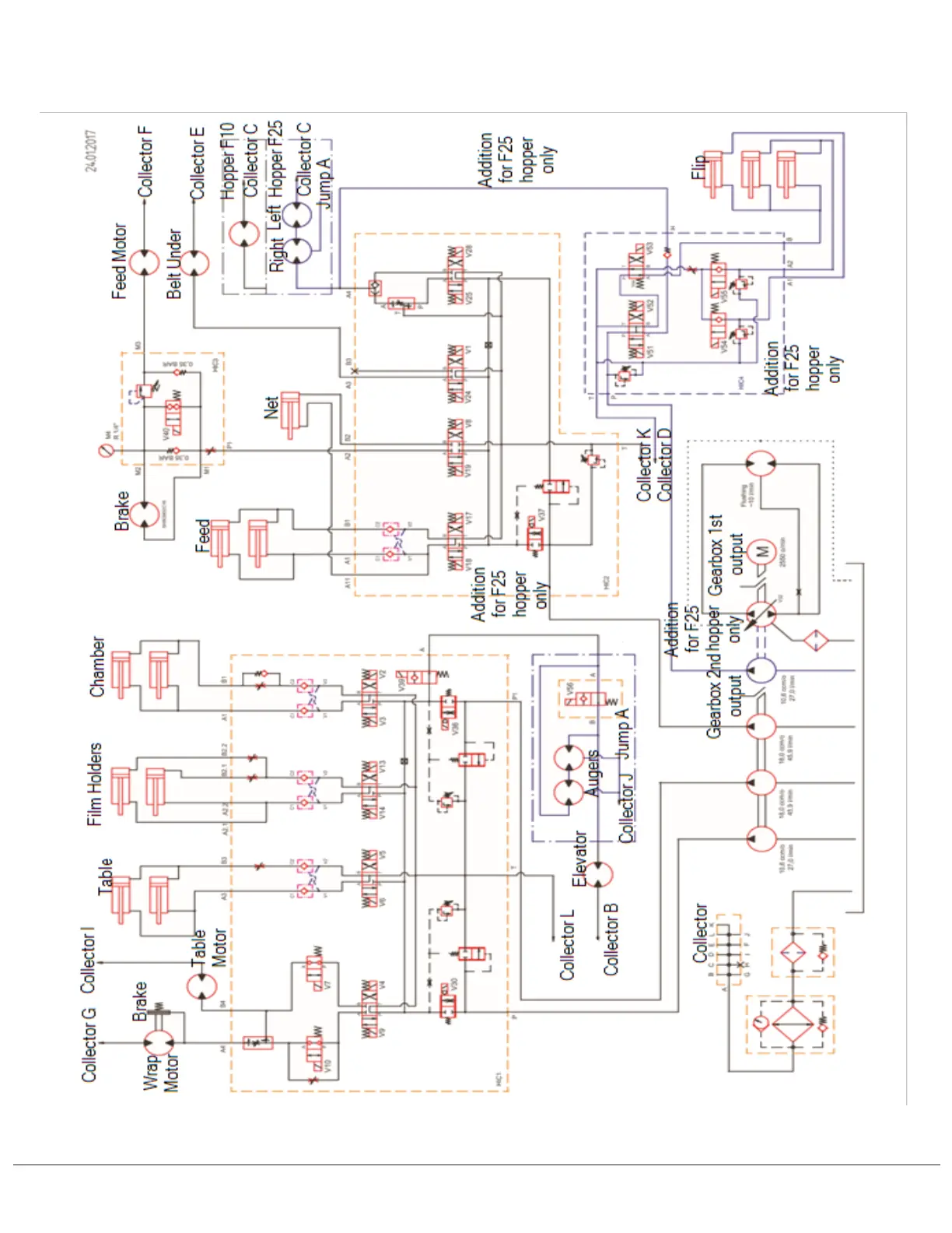
11.1.1 Complete diagram
11 HYDRAULICS 124

Table of Contents