EasyManua.ls Logo

ORKEL MP2000-X - Plastic Tying Unit, Sub Conveyor and Feed Hopper; Hydraulic Diagram List

ORKEL MP2000-X
137 pages
Print Icon
To Next Page IconTo Next Page
To Next Page IconTo Next Page
To Previous Page IconTo Previous Page
To Previous Page IconTo Previous Page
Loading...
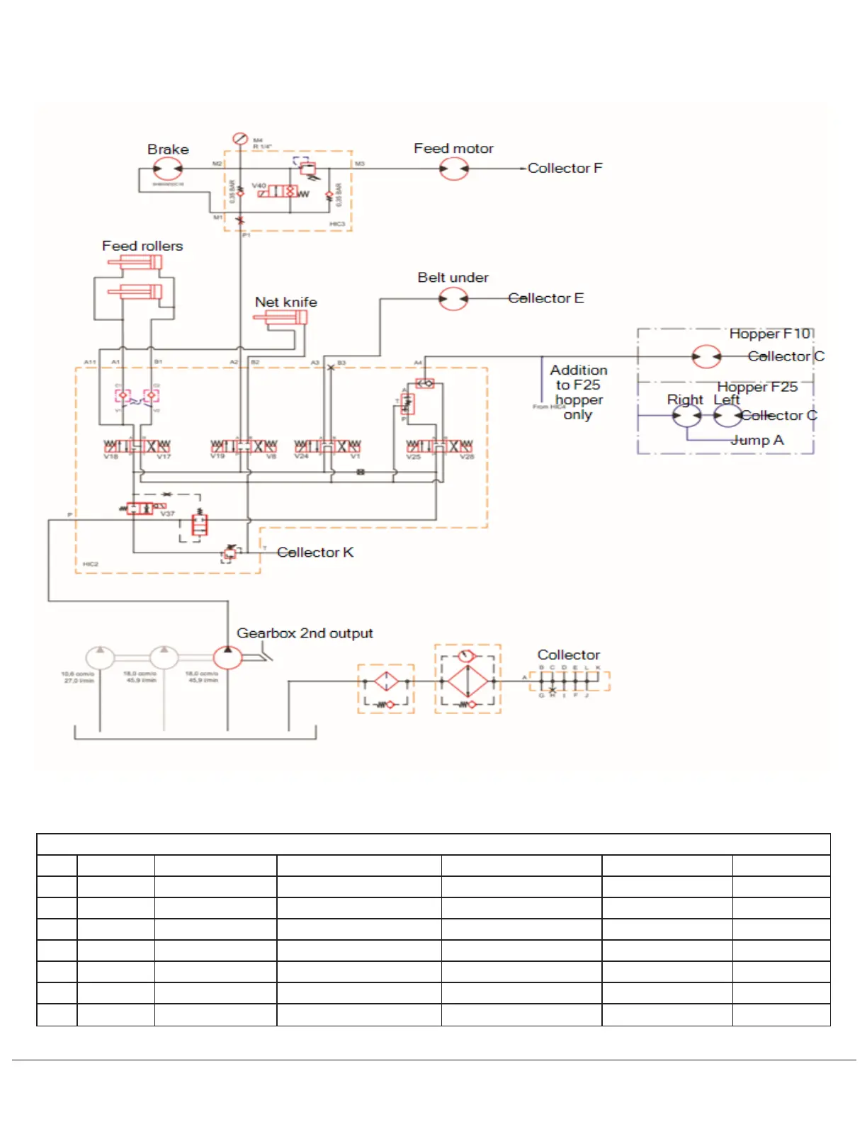
11.1.3 Plastic tying unit, sub conveyor and feed hopper
11.1.4 Hydraulic diagram list
Outputs on controllers for standard system
No. Description Type Brand & type Current drawn @ 24Vdc Resistance in Ohms Comment
V1 Digital valve Comatrol SV-15-34-04 1,38 A 17
V2 Digital valve Comatrol SV-15-34-05 1,38 A 17
V3 Digital valve Comatrol SV-15-34-05 1,38 A 17
V4 Digital valve Comatrol SV-15-34-04 1,38 A 17
V5 Digital valve Comatrol SV-15-34-05 1,1 A 22
V6 Digital valve Comatrol SV-15-34-05 1,1 A 22
V7 Digital Comatrol EVK 06/C5 1,1 A 22
11 HYDRAULICS 126

Table of Contents