EasyManua.ls Logo

Panasonic FP0 - Page 64

Panasonic FP0
382 pages
Print Icon
To Next Page IconTo Next Page
To Next Page IconTo Next Page
To Previous Page IconTo Previous Page
To Previous Page IconTo Previous Page
Loading...
Expansion I/O Units FP0
3 12
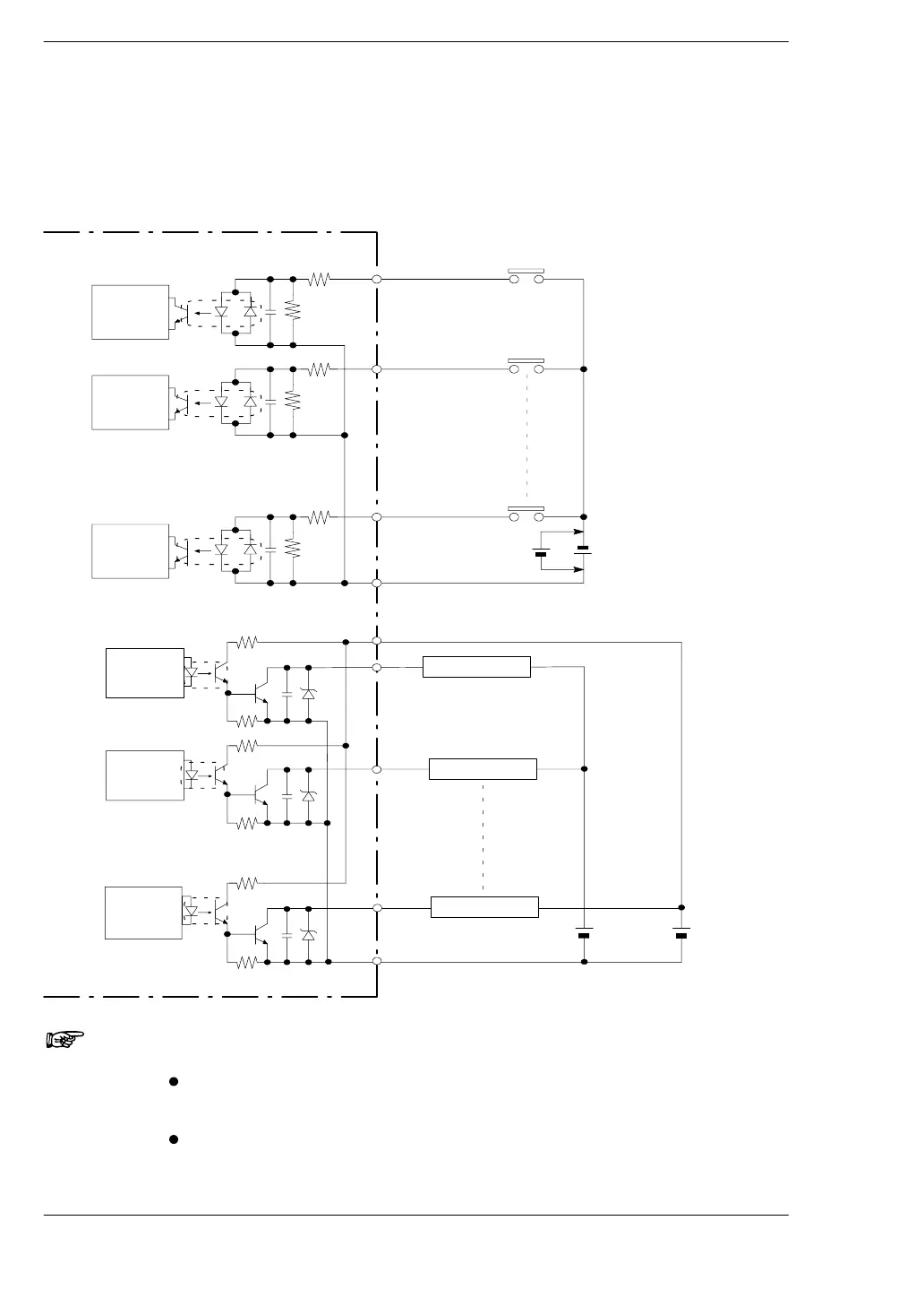
3.3 Internal Circuit Diagram
When the load voltage differs from the 24 V DC external power supply for the
driving the internal circuit
Other than 24 V DC load voltage, 5 V DC and 12 V DC and other load voltages can be
connected.
FP0-E16T/E32T
X20
X21
X2n
Internal
circuit
Internal
circuit
Internal
circuit
Y20
(+)
Y21
()
Y2n
24 V DC
(External
power supply
for driving
internal circuit)
Load (for 24 V )
Load (for 5 V )
Load (for 5 V )
5V DC
(Rated load
voltage)
Internal
circuit
Internal
circuit
Internal
circuit
COM
5.6 k
5.6 k
5.6 k
1k
1k
1k
24 V DC
(* Note)
Notes
Either positive or negative polarity is possible for the input
voltage supply.
The I/O number given above is the I/O number when the
expansion I/O unit is installed as the first expansion unit
(*section 5.3).

Table of Contents

Related product manuals