EasyManua.ls Logo

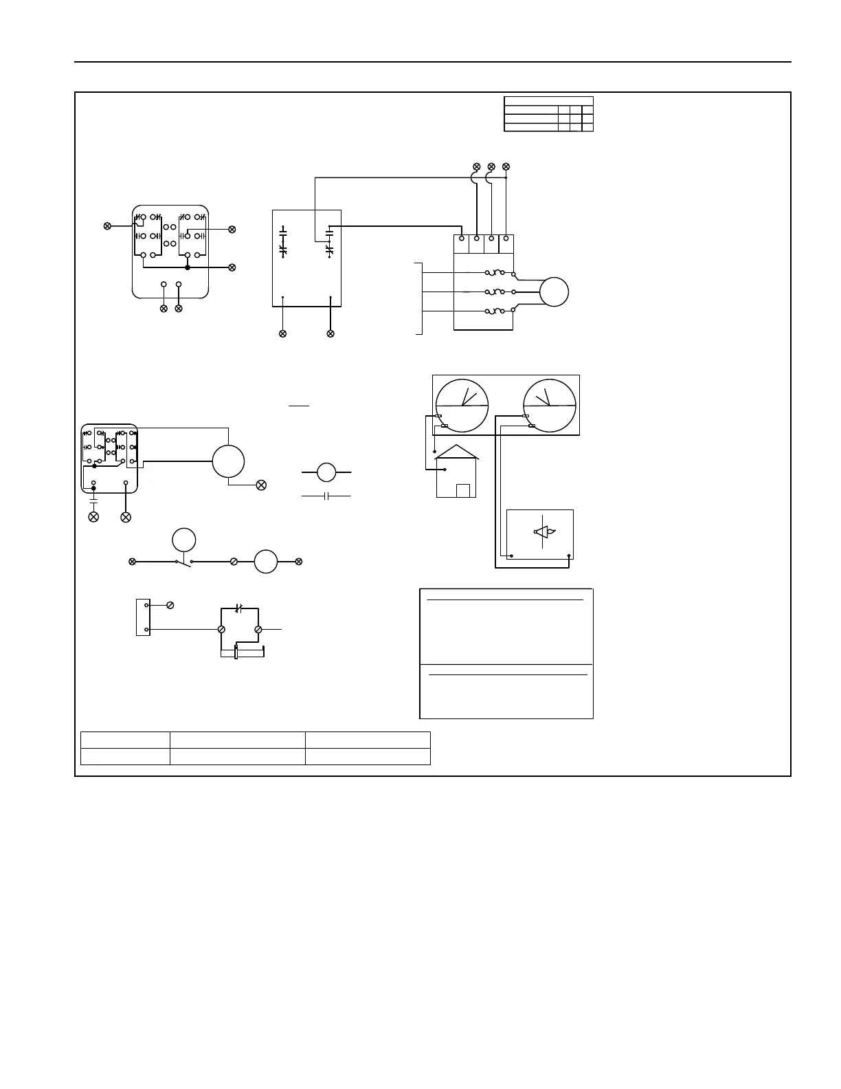
Rapid 2005 - Figure 53: Additional Control Wiring for VAV Style with Inlet Damper (2020 - 2030)

Rapid 2005
162 pages
Print Icon
To Next Page IconTo Next Page
To Next Page IconTo Next Page
To Previous Page IconTo Previous Page
To Previous Page IconTo Previous Page
Loading...
SECTION 17: ELECTRICAL
95 of 147
FIGURE 53: Additional Control Wiring for VAV Style with Inlet Damper (2020 - 2030)
(L1)
(L2)
120V
L2
L3
L1
60
62
2
120V
DM2
1C
PHOTOHELIC (1) LOCATED INSIDE CONTROL ENCLOSURE
CONTROLS DIFFERENTIAL PRESSURE
ACROSS BURNER
2
RELAY
R1
MOTOR
OL
VFD
AIR HANDLER
MOTOR
T1
T2
T3
S1
B
C
L1
L2
L3
A
OL
OL
TO FUSABLE
DISCONNECT
3D
50
52
51
50
(L1)
(L2)
HIGH
(DECEL)
PHOTOHELIC (2)
LOW
(ACCEL)
52
53
3D
2
50
53
PHOTOHELIC (2) LOCATED INSIDE CONTROL ENCLOSURE
PRESET AT 0.05"(LOW) AND 0.1"(HIGH)
CONTROLS BUILDING PRESSURE
52
50
VARIABLE AIR VOLUME WITH INLET DAMPER
P/N VAV
PRESET AT 0.75 (LOW) AND 0.90 (HIGH)
NOTE: MOTOR STARTER,
OVERLOAD AND M1
AUXILIARY CONTACT
IS REPLACED
WITH RM1 RELAY.
RM1
RM1
2
4
3D
3A
VFD PROGRAM PARAMTERS 25HP OR LESS
S4
SC
S3
S5
SN
S3
UP TO 25HP
30HP AND UP
B
C
A
VFD TERMINALS
VFD PROGRAM PARAMTERS 30HP OR MORE
B1-02=1, C1-01=25, C1-02=25
D2-02=50, D4-01=1
E1-01=VOLTS, E2-01=AMP
H1-03=10, H1-05=11
C1-01=20 ACCEL TIME (SEC)
C1-02=20 DECEL TIME (SEC)
d2-02=50% MINIMUM HZ (50%=30HZ)
H1-03=10, H1-04=11, H1-05=0F
H1-07=0F (V1000 ONLY)
L2-01=1, L5-01=5
MODU-
LATING
DAMPER
MOTOR
HIGH
LOW
1
2
RD2
MODULATING
REGULATING
VALVE
REDUCED FLOW SWITCH
49A
48
R4B
49
NC
C
29
2
R4B
1
Damper Switch
DM2
S1
S3
0
.25
.25
PHOTOHELIC
+
-
0
1.0
1.0
PHOTOHELIC
BUILDING
PRESSURE
PROFILE PLATE
PRESSURE
BLDG
PROFILE PLATE
BEFORE
AFTER
PHOTOHELIC PNEUMATIC DIAGRAM
+
-
BURNER
Part Number Description Models
VAV VAV Control Wiring 2020 - 2030

Table of Contents

Related product manuals