EasyManua.ls Logo

Rapid 2005 - SECTION 17: ELECTRICAL; 17.7 Carbon Dioxide Interlocks; 17.8 Control Options

Rapid 2005
162 pages
Print Icon
To Next Page IconTo Next Page
To Next Page IconTo Next Page
To Previous Page IconTo Previous Page
To Previous Page IconTo Previous Page
Loading...
SECTION 17: ELECTRICAL
87 of 147
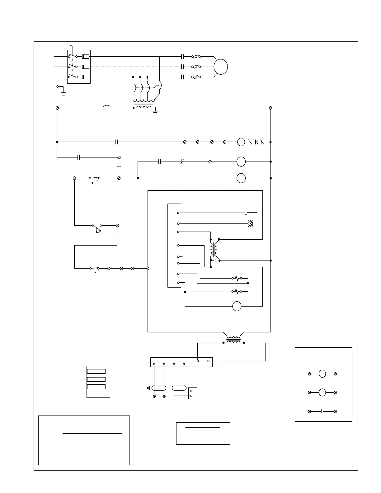
FIGURE 45: BMS-Ready Control MUA Style (2005)
MANUAL
RESET
FUSABLE DISCONNECT
HI TEMP
TAS -3
LIMIT
8
1
L1
7
L3
L2
15
T3
24VAC
X1
16
20VA
X2
MTR
350VA
M1
X2
X1
H2H1
H3
H4
T1
4
MOTOR
2
M1
MOTOR STARTER
BLOWER
120vac
120VAC
2
M1 OL
M1-OL
9C
MV MV/PV PV GND 24V(GND) 24V SPARK SENSE
CR2
S8600B
SSOV
MV MV
PV
40VA
120VAC
24VAC
X2
X1
2
SAFETY SHUTOFF
VALVE
PILOT VALVE
CONTROL
IGNITION
13
SP
FR
13
9C
9C
9
WIRE CONNECTIONS
REMOTE TO MAIN PANEL
42, 43, 44, 45, 46, 47
40, 41 (SHIELD)
10
18
19
11
14
12A
FLAME
ROD
SPARK
PLUG
9B9A
3A 3B 3C 3D
8A
LOW PRES.
SWITCH
HI PRES.
SWITCH
CNO
CNC
NC
3 PHASE ONLY
BURNER ON RELAY 24VAC
WIRES GROUNDED AT CONTROL PANEL
PRIMARY CONNECTION
T1 TRANSFORMER
H4 - COMMON
H2 - 230 USE 3.0 AMP BREAKER
H3 - 208 USE 4.0 AMP BREAKER
H1 - 460 USE 1.6 AMP BREAKER
3 AMP
BREAKER
BREAKER
49
40
48
41
2
SC11-B
TEMP CONTROL
AMPLIFIER
1
354
6
VALVE MRV
REGULATING
MODULATING
4-20MA Input
Signal
R1
R2
COIL CONN BY OTHERS
COIL CONN BY OTHERS
RELAY R1 AND R2 VOLTAGE IS
OR 0-10VDC
Signal
SET DIP SWITCH
BEFORE CONNECTING POWER!
BURNER LOCKOUT CONTACT
CONN BY OTHERS
R3
ON OFF
1
2
3
O
O
O
THREE POSITION DIP
SWITCH ON SC11-B
4-20mA
ALL POSITIONS
ON
OFF
ALL POSITIONS
0-10 VDC
42 43
44 45
46 47
SPECIFIED BY CONTRACTOR CAN
BE 120VAC, 24VAC, OR 24VDC
R1
R2
TD1
BURNER LOCKOUT
TIME DELAY (30S)
50
RELAY
TD1 CR2
R3
24
FAN
BURNER

Table of Contents

Related product manuals