EasyManua.ls Logo

Rapid 2005 - Figure 42: Basic Remote Wiring Diagram (2010 - 2030)

Rapid 2005
162 pages
Print Icon
To Next Page IconTo Next Page
To Next Page IconTo Next Page
To Previous Page IconTo Previous Page
To Previous Page IconTo Previous Page
Loading...
B-SERIES INSTALLATION, OPERATION AND SERVICE MANUAL
84 of 147
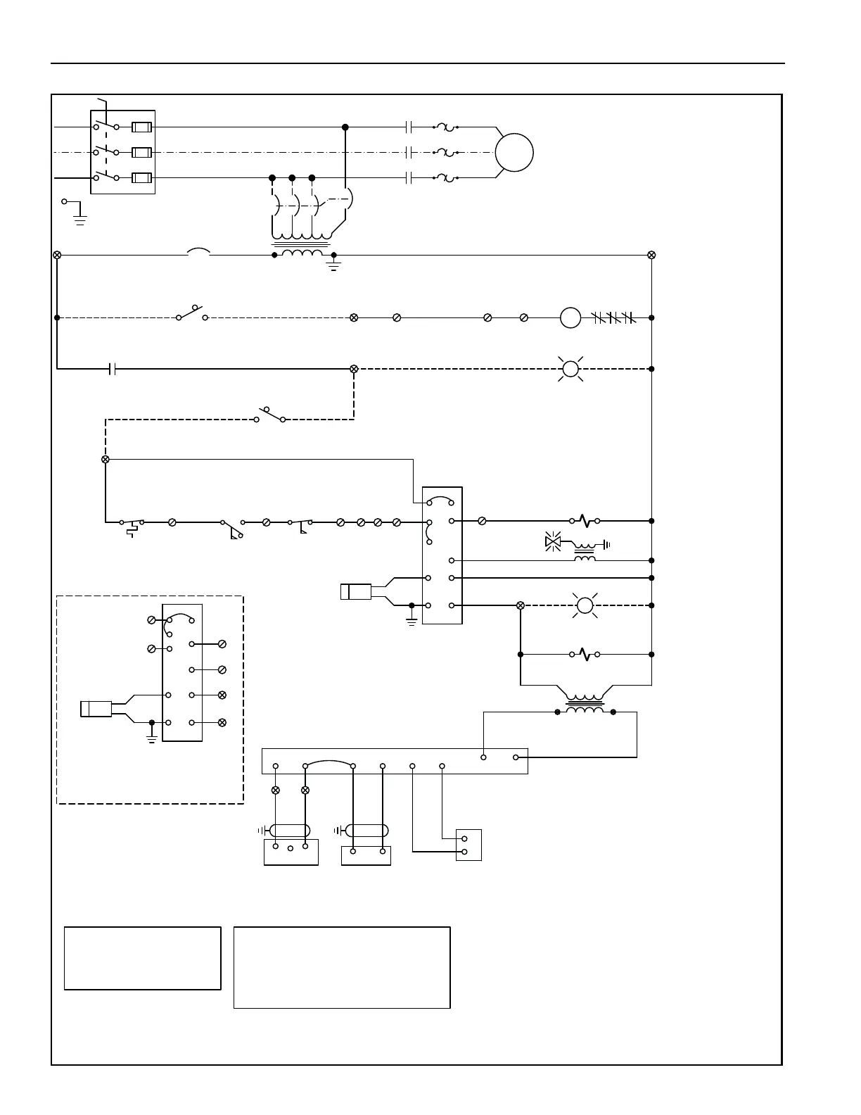
FIGURE 42: Basic Remote Wiring Diagram (2010 - 2030)
H2 - 230 USE 3.0 AMP BREAKER
H3 - 208 USE 4.0 AMP BREAKER
H1 - 460 USE 1.6 AMP BREAKER
RM7890A
49
TD114
TEMPERATURE
SELECTOR
1
2
3
44
MONITOR
TEMPERATURE
TS114
1
45
40
2
4841
2
TCA-A1014
TEMP CONTROL
AMPLIFIER
13546
SCANNER
UV
14
13
87
16
VALVE MRV
REGULATING
MODULATING
BURNER ON
IGNITION
TRANSFORMER
PILOT VALVE
VALVE
SAFETY SHUTOFF
CONTROL
IGNITION
X1
15
20VA
24VAC
X2
T3
9
2
F
G
12
10
6
8
3
SP
11
SSOV
BURNER ON
A
T2
PV
FUSABLE DISCONNECT
M1
1
L1
BURNER
ON
OFF
4
H1
FAN
OFF
ON
H3
H2
X1
X2
H4
T1
250VA
L3
L2
M1
FAN ON
MOTOR STARTER
FAN ON
A
3A
M1
M1-OL
2
MOTOR
BLOWER
OL
MTR
120 VAC
FUSES BY OTHERS
WIRE CONNECTIONS
REMOTE TO MAIN PANEL
1, 2, 3A, 4, 7, 12,
40, 41 (SHIELD)
H4 - COMMON
PRIMARY CONNECTION
T1 TRANSFORMER
7
HI TEMP
LIMIT
HLS
MANUAL
RESET
88A9
LOW PRES.
SWITCH
0.3" W.C.
HI PRES.
SWITCH
1. 4 " W. C.
CNO CNC
NC
3B 3C 3D
7
9A 9B 9C
20
CLIP JR2
GROUND SHIELDED CABLE AT CONTROL PANEL
CONTROL
PRIMARY
IGNITION
SCANNER
UV
G
RM7897C
14
9
8
5
F
13
10
2
7
11
10
6
2
12
FOR 2020 AND 2030
CLIP JR2
7
9C
20
3 PHASE ONLY
10
BREAKER
BREAKER
3 AMP

Table of Contents

Related product manuals