EasyManua.ls Logo

Rapid 2005 - Figure 44: Deluxe Temperature Control Remote (DTC) Wiring Diagram (2010 - 2030)

Rapid 2005
162 pages
Print Icon
To Next Page IconTo Next Page
To Next Page IconTo Next Page
To Previous Page IconTo Previous Page
To Previous Page IconTo Previous Page
Loading...
B-SERIES INSTALLATION, OPERATION AND SERVICE MANUAL
86 of 147
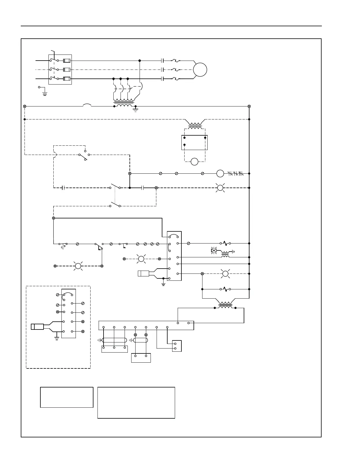
FIGURE 44: Deluxe Temperature Control Remote (DTC) Wiring Diagram (2010 - 2030)
H2 - 230 USE 3.0 AMP BREAKER
H3 - 208 USE 4.0 AMP BREAKER
H1 - 460 USE 1.6 AMP BREAKER
WINTER
TEMPERATURE
SELECTOR
41
TS144C
TEMPERATURE
MONITOR
1 2
44
3
4
5
45 46
40
TCA-A1044C
21354
TEMP CONTROL
89
VALVE MRV
REGULATING
MODULATING
4948
AMPLIFIER
67
X1
X2
24VAC
20VA
T3
SCANNER
UV
G
CLIP JR2
14
13
9
F
12
SSOV
A
SAFETY SHUTOFF
VALVE
BURNER ON
BURNER ON
3
6
2
10
SP
8
11
PILOT VALVE
T2
IGNITION
TRANSFORMER
CONTROL
IGNITION
PV
PRIMARY CONNECTION
T1 TRANSFORMER
MOTOR
AUTO
32
CR1
SUMMER
M1
OFF
ON
3A
FUSABLE DISCONNECT
L1
1
31
X2
X1
H1
3 AMP
H3
H2
H4
FAN ON
M1
4
A
FAN ON
M1-OL
MOTOR STARTER
T1
250VA
H4 - COMMON
2
L3
L2
BLOWER
OLM1
MTR
120vac
FUSES BY OTHERS
T244A
WIRE CONNECTIONS
REMOTE TO MAIN PANEL
1, 2, 3A, 4, 7, 12, 24, 25
40, 41 (SHIELD)
7
HI TEMP
LIMIT
HLS
MANUAL
RESET
88A9
LOW PRES.
SWITCH
0.3" W.C.
HI PRES.
SWITCH
1. 4 " W. C .
CNO CNC
NC
25
CLOGGED FILTER
A
2
4
BURNER LOCKOUT
A
2
24
3B 3C 3D
24VAC
20VA
T4
TH8110
R
C
G
CR1
THERMOSTAT
TH8110R 1008/U
THERMOSTAT CONTROL
RELAY
15
16
RM7890A
CONTROL
PRIMARY
IGNITION
G
RM7897C
9
8
5
F
10
2
7
11
10
6
2
12
FOR 2020 AND 2030
CLIP JR2
7
9C
20
3
24
20
7
9A 9B 9C
GROUND SHIELDED CABLE AT CONTROL PANEL
3 PHASE ONLY
10
33 34
35
BREAKER
BREAKER
SCANNER
UV
14
13

Table of Contents

Related product manuals