EasyManua.ls Logo

Rapid 2005 - Figure 67: V-1000 VFD 10 to 25 HP with Photohelic

Rapid 2005
162 pages
Print Icon
To Next Page IconTo Next Page
To Next Page IconTo Next Page
To Previous Page IconTo Previous Page
To Previous Page IconTo Previous Page
Loading...
SECTION 17: ELECTRICAL
105 of 147
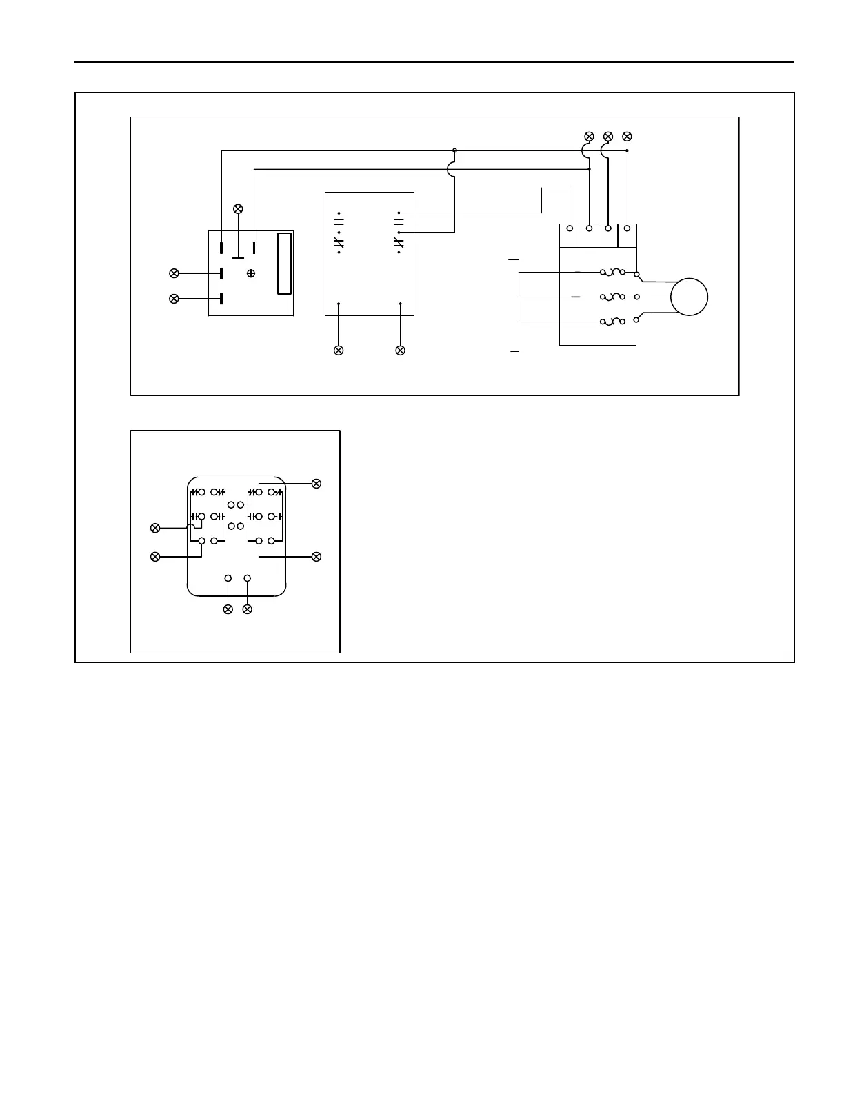
FIGURE 67: V-1000 VFD 10 to 25HP with Photohelic
(L1)
(L2)
HIGH
(ACCEL)
PHOTOHELIC
LOW
(DECEL)
52
53
3C
2
54
50
LOCATED ON VFD PANEL INSIDE CONTROL ENCLOSURE
PHOTOHELIC LOCATED INSIDE SEPARATE REMOTE ENCLOSURE
PRESET AT 0.1"(LOW) AND 0.3"(HIGH)
CONTROLS BOOTH PRESSURE
2
RELAY
R1
MOTOR
OL
VFD
EXHAUST
MOTOR(S)
T1
T2
T3
S1
S4
SC
L1
L2
L3
S3
OL
OL
TO CUSTOMER
SUPPLIED
DISCONNECT
AND FUSING
3C
50
52
51
50
5352 50
2
50
52
3C
54
INCREASE
OVERRIDE
TIMER
TD7
SET TO 60 SEC.

Table of Contents

Related product manuals