EasyManua.ls Logo

Rapid 2005 - Figure 43: Standard Discharge Control Remote (SDC) Wiring Diagram (2010 - 2030)

Rapid 2005
162 pages
Print Icon
To Next Page IconTo Next Page
To Next Page IconTo Next Page
To Previous Page IconTo Previous Page
To Previous Page IconTo Previous Page
Loading...
SECTION 17: ELECTRICAL
85 of 147
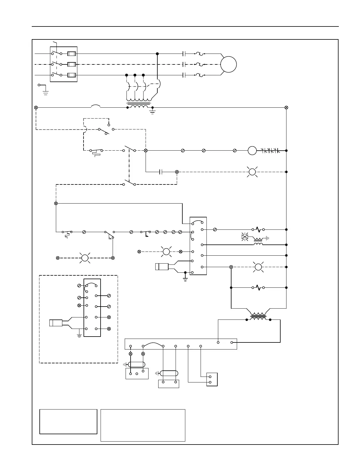
FIGURE 43: Standard Discharge Control Remote (SDC) Wiring Diagram (2010 - 2030)
H2 - 230 USE 3.0 AMP BREAKER
H3 - 208 USE 4.0 AMP BREAKER
H1 - 460 USE 1.6 AMP BREAKER
SUMMER
WINTER
1
TD114
SELECTOR
TEMPERATURE
44
2
1
FUSABLE DISCONNECT
L1
1
WINTER
CYCLE STAT
R B
33
3 AMP
OFF
31
AUTO
ON
L3
L2
12
3
TS114
TEMPERATURE
MONITOR
1 2
TCA-A1014
TEMP CONTROL
40
45
2 3
AMPLIFIER
41
4
48
5
REGULATING
VALVE MRV
MODULATING
49
6
7
15
8
CLIP JR2
SCANNER
UV
G
RM7890A
14
9
8
3
F
13
10
2
6
11
24VAC
X1
T3
16
20VA
X2
BURNER ON
SSOV
A
SP
T2
PV
CONTROL
SAFETY SHUTOFF
BURNER ON
VALVE
PILOT VALVE
TRANSFORMER
IGNITION
IGNITION
3A
250VA
M1
X1
X2
H1 H2
H3
H4
T1
4
M1 OL
MTR
MOTOR
FAN ON
A
M1
M1-OL
2
MOTOR STARTER
FAN ON
BLOWER
120vac
T1 TRANSFORMER
PRIMARY CONNECTION
H4 - COMMON
WIRE CONNECTIONS
REMOTE TO MAIN PANEL
1, 2, 3A, 4, 7, 12, 24, 25
40, 41 (SHIELD)
7
HI TEMP
LIMIT
HLS
MANUAL
RESET
88A9A
LOW PRES.
SWITCH
0.3" W.C.
HI PRES.
SWITCH
1. 4 " W. C .
CNO CNC
NC
25
CLOGGED FILTER
A
2
4
BURNER LOCKOUT
A
2
24
3B 3C 3D
9 9B 9C
20
7
CONTROL
PRIMARY
IGNITION
SCANNER
UV
G
RM7897C
14
9
8
5
F
13
10
2
7
11
10
6
2
12
FOR 2020 AND 2030
CLIP JR2
7
9C
20
3
24
GROUND SHIELDED CABLE AT CONTROL PANEL
FUSES BY OTHERS
3 PHASE ONLY
10
BREAKER
BREAKER

Table of Contents

Related product manuals