EasyManua.ls Logo

Rapid 2005 - SECTION 17: ELECTRICAL; 17.8.2 Low Temperature Limit with Override Timer

Rapid 2005
162 pages
Print Icon
To Next Page IconTo Next Page
To Next Page IconTo Next Page
To Previous Page IconTo Previous Page
To Previous Page IconTo Previous Page
Loading...
B-SERIES INSTALLATION, OPERATION AND SERVICE MANUAL
88 of 147
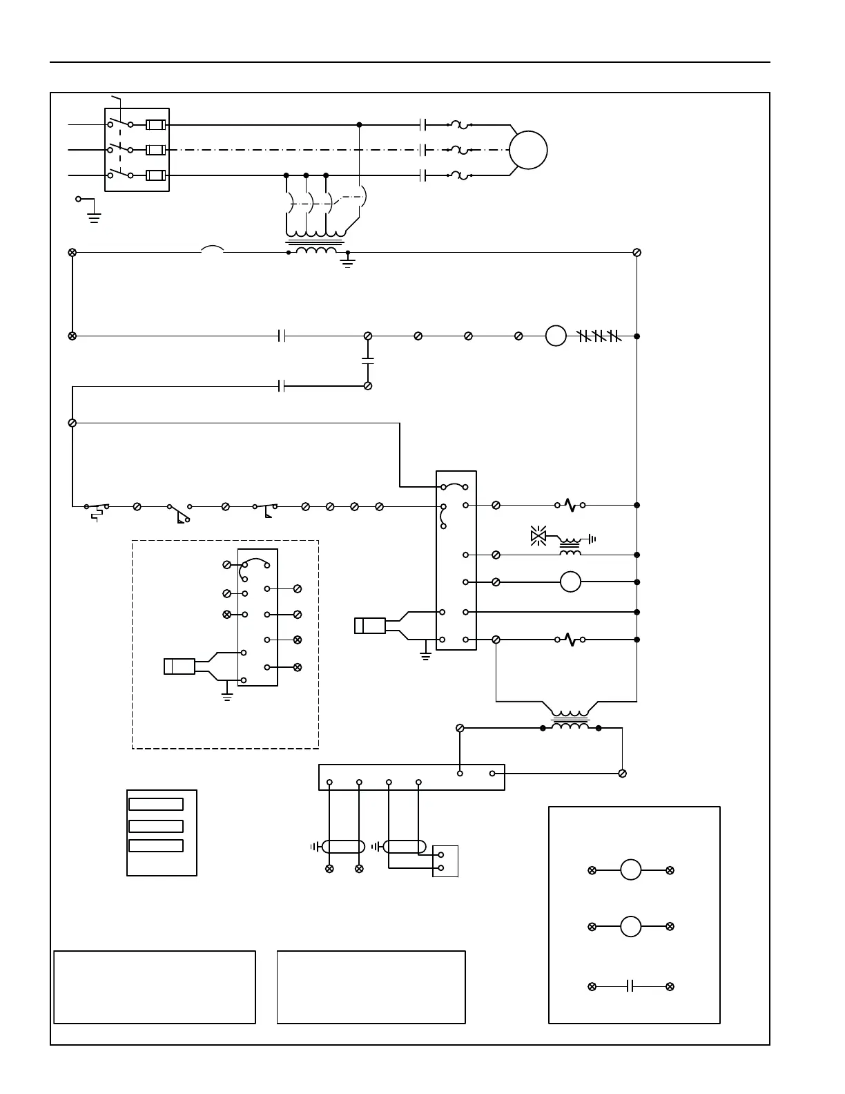
FIGURE 46: BMS-Ready Control MUA/FR Style Units (2010 - 2030)
H2 - 230 USE 3.0 AMP BREAKER
H3 - 208 USE 4.0 AMP BREAKER
H1 - 460 USE 1.6 AMP BREAKER
RM7890A
49
40
48
41
2
SC11-B
TEMP CONTROL
AMPLIFIER
1
354
6
UV
CONTROL
IGNITION
PRIMARY
SCANNER
14
13
16
VALVE MRV
REGULATING
MODULATING
IGNITION
TRANSFORMER
PILOT VALVE
VALVE
SAFETY SHUTOFF
CONTROL
IGNITION
X1
15
20VA
24VAC
X2
T3
12
10
SP
SSOV
T2
PV
M1
1
L1
BURNER
7
3A
H1
3 AMP
H3
H2
X1
X2
H4
T1
250VA
L3
L2
M1
MOTOR STARTER
3C
M1
M1-OL
2
MOTOR
BLOWER
OL
MTR
120vac
4-20MA Input
Signal
FAN
R2
R1
OR 0-10VDC
Signal
SET DIP SWITCH
BEFORE CONNECTING POWER!
4
ON OFF
1
2
3
O
O
O
THREE POSITION DIP
SWITCH ON SC11-B
4-20mA
ALL
POSITIONS
ON
OFF
ALL POSITIONS
0-10 VDC
R3
HI TEMP
LIMIT
HLS
MANUAL
RESET
88A9
LOW PRES.
SWITCH
0.3" W.C.
HI PRES.
SWITCH
1. 4 " W. C .
CNO CNC
NC
9A 9B 9C
3B 3D
9
2
F
G
10
6
8
3
7
20
4
BURNER LOCKOUT
LIGHT (FLAME FAILURE)
120VAC
3 PHASE ONLY
24
CLIP JR2
11
R1
R2
COIL CONN BY OTHERS
COIL CONN BY OTHERS
RELAY R1 AND R2 VOLTAGE IS
BURNER LOCKOUT CONTACT
CONN BY OTHERS
R3
42
43
44
45
46
47
SPECIFIED BY CONTRACTOR CAN
BE 120VAC, 24VAC, OR 24VDC
CONTROL
PRIMARY
IGNITION
SCANNER
UV
G
RM7897C
9
8
5
F
10
2
7
11
10
6
2
12
FOR 2020 - 2030
CLIP JR2
7
9C
20
3
24
14
13
H4 - COMMON
PRIMARY CONNECTION
T1 TRANSFORMER
WIRE CONNECTIONS
DDC CONTROL TO CONTROL PANEL
1, 1A, 40, 41
42, 43, 44, 45
46, 47
1A
BREAKER
BREAKER
FUSABLE DISCONNECT
FUSES BY OTHERS

Table of Contents

Related product manuals