EasyManua.ls Logo

Rapid 2005 - Figure 39: Basic Remote Wiring Diagram (2005)

Rapid 2005
162 pages
Print Icon
To Next Page IconTo Next Page
To Next Page IconTo Next Page
To Previous Page IconTo Previous Page
To Previous Page IconTo Previous Page
Loading...
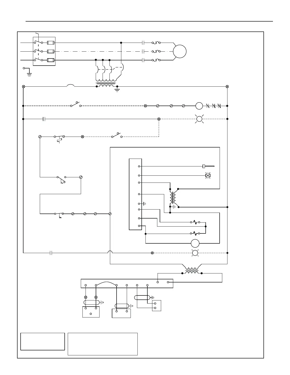
SECTION 17: ELECTRICAL
81 of 147
FIGURE 39: Basic Remote Wiring Diagram (2005)
TEMPERATURE
1
1
40
MANUAL
RESET
FUSABLE DISCONNECT
HI TEMP
TAS-3
LIMIT
8
1
L1
7
3 AMP
BREAKER
L3
L2
TS114
TEMPERATURE
MONITOR
SELECTOR
TD114
1 2
44
TCA-A1014
2
32
43
45
VALVE MRV
REGULATING
MODULATING
7
15
56
48 49
8
T3
24VAC
TEMP CONTROL
AMPLIFIER
X1
16
20VA
X2
MTR
250VA
M1
X2
X1
H2H1 H3
H4
T1
4
MOTOR
2
FAN ON
L
M1
MOTOR STARTER
FAN ON
BLOWER
120vac
120VAC
2
M1 OL
M1-OL
9C
MV MV/PV PV GND 24V(GND) 24V SPARK SENSE
CR2
S8600B
SSOV
MV MV
PV
40VA
120VAC
24VAC
X2
X1
2
SAFETY SHUTOFF
VALVE
PILOT VALVE
CONTROL
IGNITION
13
SP
FR
L
12
BURNER ON LIGHT
CR2
9C
9C
9
PRIMARY CONNECTION
T1 TRANSFORMER
H4 - COMMON
H2 - 230 USE 3.0 AMP BREAKER
H3 - 208 USE 4.0 AMP BREAKER
H1 - 460 USE 1.6 AMP BREAKER
WIRE CONNECTIONS
REMOTE TO MAIN PANEL
1, 2, 3A, 4, 7, 12
40, 41 (SHIELD)
10
41
TEMP. CONTROL
AMPLIFIER
BURNER
OFF
ON
FAN
OFF
ON
18
19
11
14
12A
FLAME
ROD
SPARK
PLUG
9B9A
3A 3B 3C 3D
8A
LOW PRES.
SWITCH
HI PRES.
SWITCH
CNO
CNC
NC
3 PHASE ONLY
BURNER ON
RELAY 24VAC
GROUND SHIELDED CABLE AT CONTROL PANEL
BREAKER

Table of Contents

Related product manuals