EasyManua.ls Logo

Rapid 2005 - Figure 40: Standard Discharge Control Remote (SDC) Wiring

Rapid 2005
162 pages
Print Icon
To Next Page IconTo Next Page
To Next Page IconTo Next Page
To Previous Page IconTo Previous Page
To Previous Page IconTo Previous Page
Loading...
B-SERIES INSTALLATION, OPERATION AND SERVICE MANUAL
82 of 147
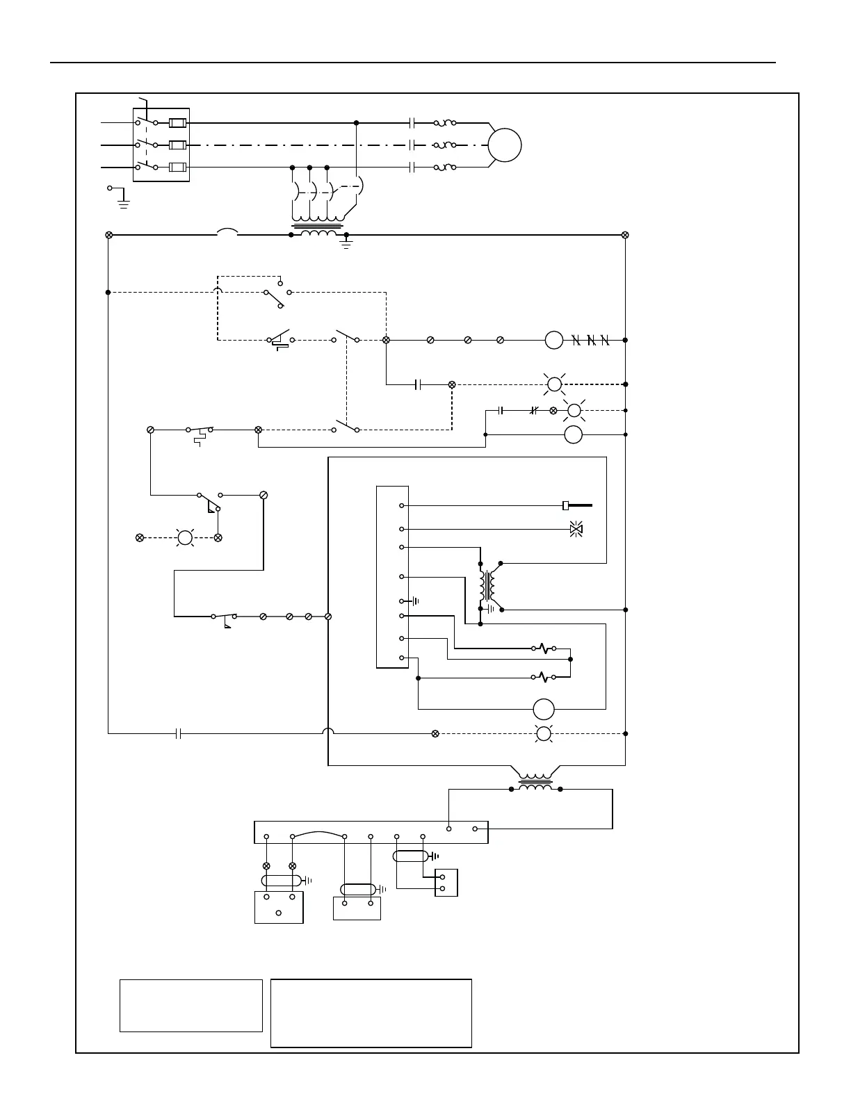
FIGURE 40: Standard Discharge Control Remote (SDC) Wiring Diagram (2005)
H2 - 230 USE 3.0 AMP BREAKER
H3 - 208 USE 4.0 AMP BREAKER
H1 - 460 USE 1.6 AMP BREAKER
WIRE CONNECTIONS
REMOTE TO MAIN PANEL
1, 2, 3A, 4, 7, 12, 24, 25
40, 41 (SHIELD)
TEMPERATURE
1
MANUAL
RESET
HI TEMP
TAS-3
LIMIT
8
1
L1
7
FAN
AUTO
ON
3 AMPBREAKER
L3
L2
TS114
TEMPERATURE
MONITOR
SELECTOR
TD114
1 2
44
TCA-A1014
2
43
45
VALVE MRV
REGULATING
MODULATING
7
15
56
48
49
8
T3
24VAC
TEMP CONTROL
AMPLIFIER
X1
16
20VA
X2
MTR
250VA
M1
X2
X1
H2H1
H3
3A
H4
T1
4
MOTOR
2
FAN ON
L
M1
MOTOR STARTER
FAN ON
BLOWER
120vac
120VAC
2
M1 OL
M1-OL
9C
MV MV/PV PV GND 24V(GND) 24V SPARK SENSE
CR2
S8600B
SSOV
MV MV
PV
40VA
120VAC
24VAC
X2
X1
2
SAFETY SHUTOFF
VALVE
PILOT VALVE
CONTROL
IGNITION
13
SP
FR
L
12
BURNER ON LIGHT
CR2
9C
10
OFF
WINTER
SUMMER
CYCLE STAT
WINTER
3332
TEMP. CONTROL
AMPLIFIER
18
19
11
14
12A
FLAME
ROD
SPARK
PLUG
8A
LOW PRES.
SWITCH
HI PRES.
SWITCH
CNO
CNC
NC
9 9A 9B
3B 3C 3D
40 41
3 PHASE ONLY
BURNER ON RELAY 24VAC
L
TD1
TD1
BURNER LOCKOUT
24
TIME DELAY (30S)
CR2
50
LIGHT
L
2
25
FILTERS
CHECK
PRIMARY CONNECTION
T1 TRANSFORMER
H4 - COMMON
BREAKER
1 32
FUSABLE DISCONNECT
GROUND SHIELDED CABLE AT CONTROL PANEL

Table of Contents

Related product manuals