EasyManua.ls Logo

Renesas RL78/F14 - Page 246

Renesas RL78/F14
1879 pages
Print Icon
To Next Page IconTo Next Page
To Next Page IconTo Next Page
To Previous Page IconTo Previous Page
To Previous Page IconTo Previous Page
Loading...
RL78/F13, F14 CHAPTER 4 PORT FUNCTIONS
R01UH0368EJ0210 Rev.2.10 214
Dec 10, 2015
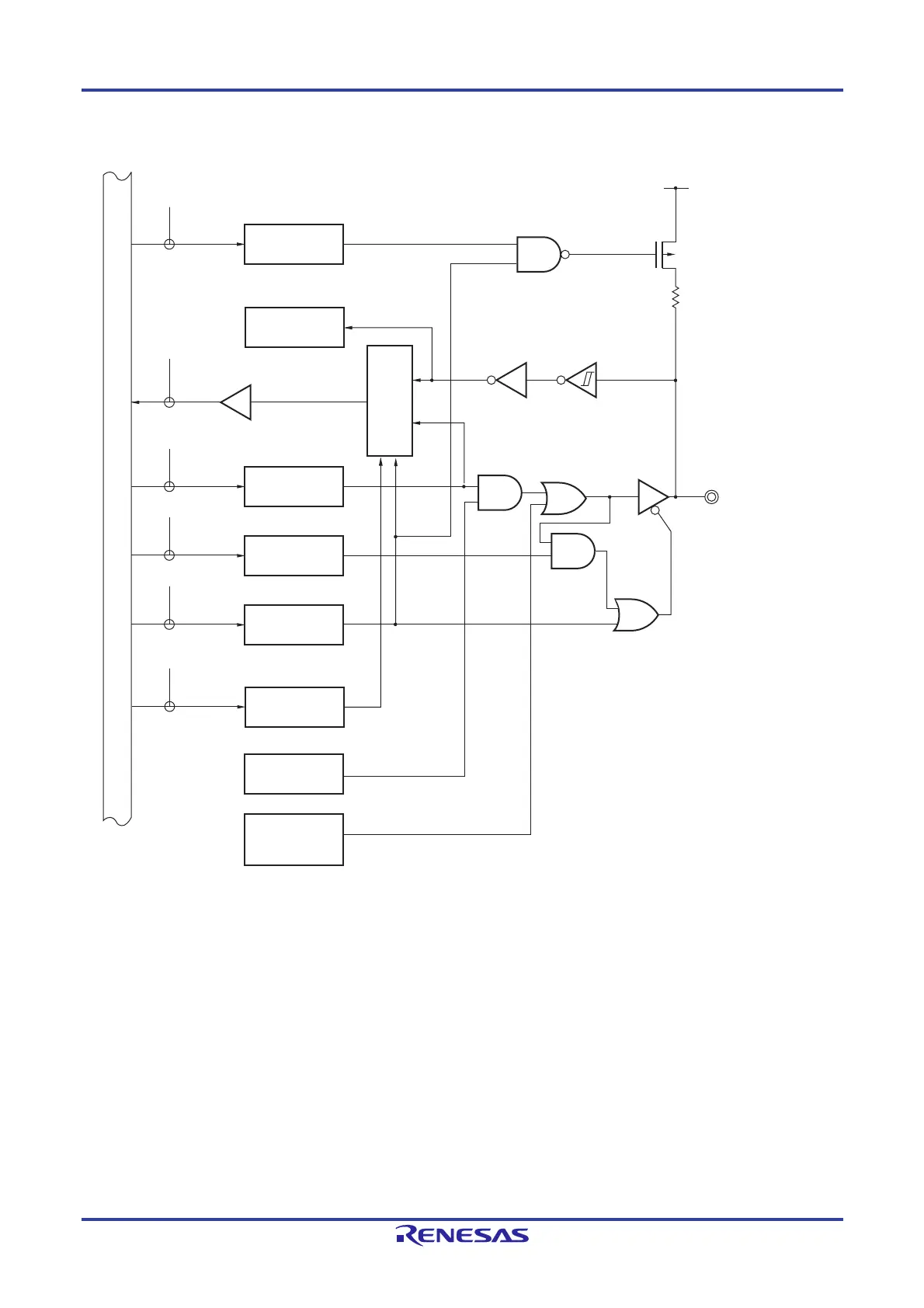
Figure 4-7. Block Diagram of P12
WRPU
RD
WR
PORT
WRPM
PU12
P12
PM12
EVDD
P-ch
PU1
PM1
WRPOM
POM12
POM1
P1
WRPMS
PMS
PMS0
SO10/TXD1
TO11/SNZOUT3
/(TRDIOD0)
P12/TI11/TO11/
INTP5/SO10/
TXD1/SNZOUT3
/
(TRDIOD0)
Alternate function
Alternate function
Alternate function
Internal bus
Selector
Output latch
P1: Port register 1
PU1: Pull-up resistor option register 1
PM1: Port mode register 1
POM1: Port output mode register 1
PMS: Port mode select register
RD: Read signal
WRxx: Write signal

Table of Contents

Related product manuals