EasyManua.ls Logo

Rockwell Automation Allen-Bradley Kinetix 5500 - Page 189

Rockwell Automation Allen-Bradley Kinetix 5500
260 pages
Print Icon
To Next Page IconTo Next Page
To Next Page IconTo Next Page
To Previous Page IconTo Previous Page
To Previous Page IconTo Previous Page
Loading...
Rockwell Automation Publication 2198-UM001M-EN-P - November 2022 189
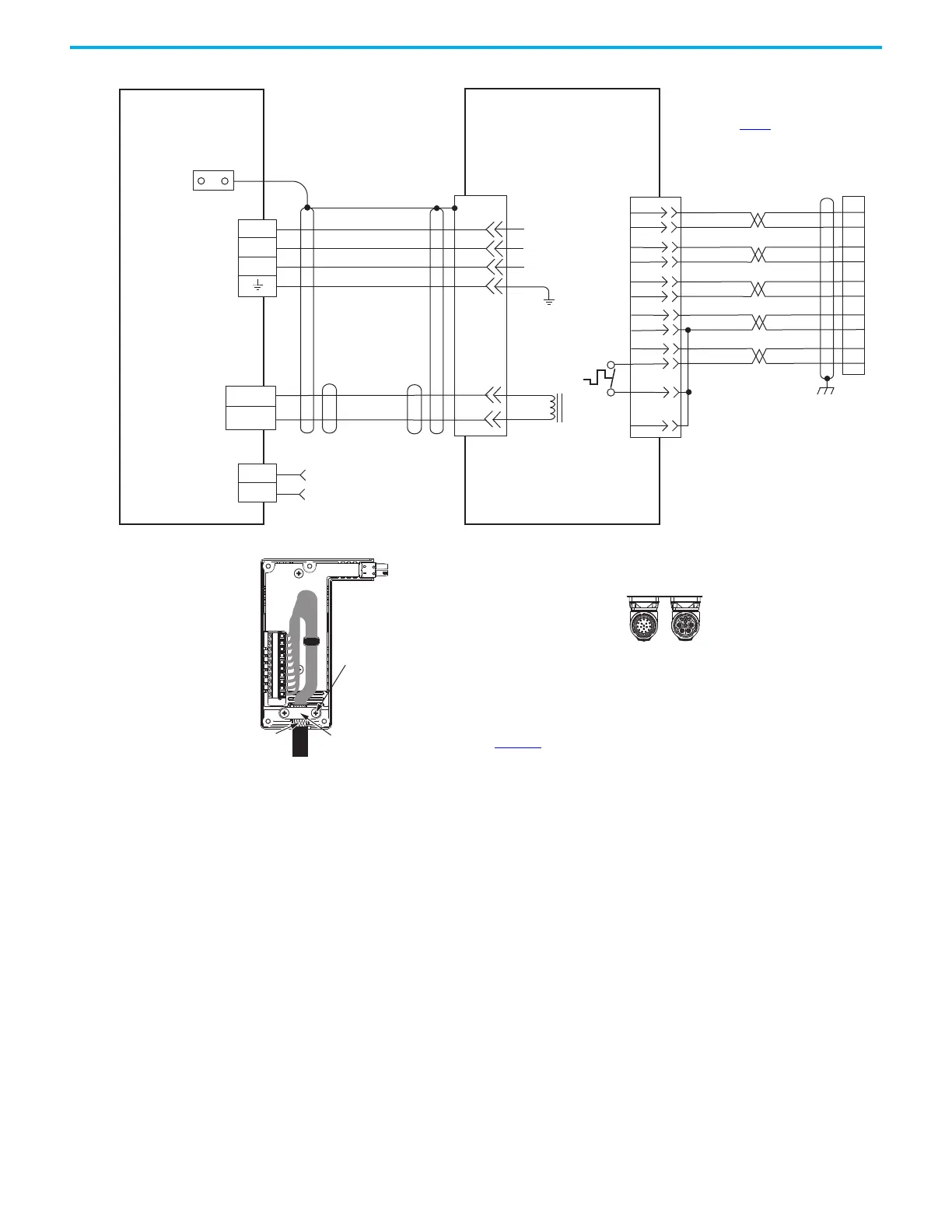
Appendix A Interconnect Diagrams
Figure 102 - Kinetix 5500 with Kinetix MPAS Linear Stages
C
B
A
MBRK+
MBRK-
F
G
U
V
W
SIN+
SIN-
COS+
COS-
DATA+
DATA-
+5VDC
ECOM
GREEN
WHT/GREEN
GRAY
WHT/GRAY
BLACK
WHT/BLACK
RED
WHT/RED
3
4
5
6
1
2
9
10
1
2
3
4
5
10
14
6
14
12
+9VDC
TS
ORANGE
WHT/ORANGE
11
13
7
11
GND
D
U
V
W
1
2
D+
D-
1
2
4
3
2
1
MBRK +
MBRK -
Brown
Black
Blue
Green/Yellow
White
Black
Shield
14
11
10
7
6
5
4
3
2
1
COM
Motor Brake
Motor Brake
(BC) Connector
Motor Power
(MP) Connector
MPAS-A/Bxxxxx-VxxSxA
Ballscrew Linear Stages with
High-Resolution Feedback
Motor Feedback
(MF) Connector
Three-phase
Motor Power
Motor
Feedback
Thermostat
Grounding Technique for
Feedback Cable Shield
Cable Clamp
Exposed shield secured
Clamp Screws (2)
See table on page 179 for note information.
2198-H2DCK Feedback
Converter Kit
Cable Shield
Clamp
Note 5
2198-Hxxx-ERSx
Kinetix 5500 Servo Drives
See Hiperface to DSL Feedback Converter Kit Installation Instructions,
publication 2198-IN006
, for converter kit specifications.
Power Connector
Feedback Connector
SpeedTec DIN
Motor Connectors
2090-CFBM7DF-CEAAxx (standard) or
2090-CFBM7DF-CEAFxx (continuous-flex)
(flying lead) Feedback Cable
Notes 11, 12, 13
2090-CPxM7DF-xxAAxx
(standard) or
2090-CPxM7DF-xxAFxx
(continuous-flex)
Motor Power Cable
See DSL feedback converter kit
illustration (lower left)
for proper grounding technique.
2198-H2DCK
Hiperface-to-DSL
Feedback Converter Kit

Table of Contents

Other manuals for Rockwell Automation Allen-Bradley Kinetix 5500

Related product manuals