EasyManua.ls Logo

Sedecal SHF-310 - Page 142

Default Icon
427 pages
Print Icon
To Next Page IconTo Next Page
To Next Page IconTo Next Page
To Previous Page IconTo Previous Page
To Previous Page IconTo Previous Page
Loading...
HF Series Generators
Configuration
CF-1018R3
26
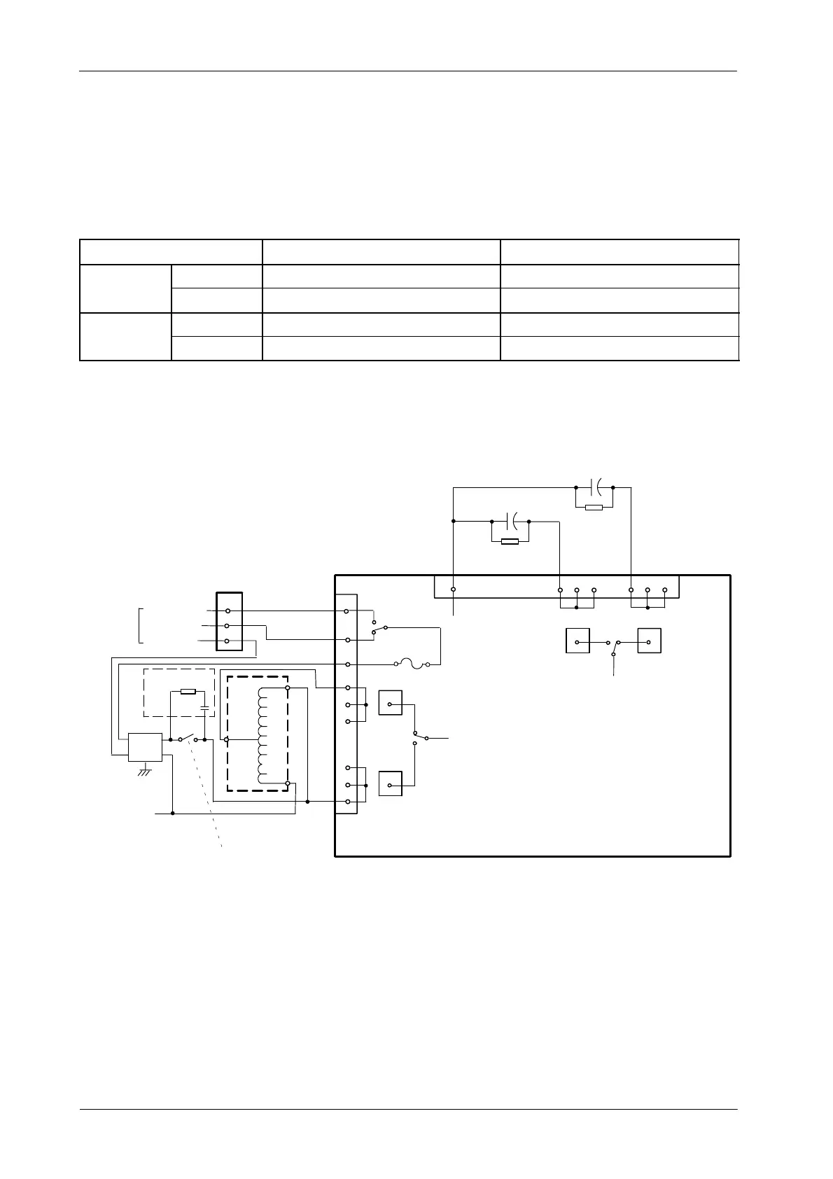
TWO TUBES WITH STARTING VOLTAGE AT 220 VAC AND 110 VAC
(A “Kit of 110 VAC” is required with this configuration).
TUBE-1 TUBE-2
V
O
L
T
A
G
E
220 VAC TB2-T1 with TB1-5 or TB1 -6 TB2-T2 with TB1-5 or TB1 -6
V
OLT
A
GE
150 VAC TB2-T1 with TB1-8 or TB1 -9 TB2-T2 with TB1-8 or TB1--9
C
A
P
A
C
I
T
O
R
30 μF
TB3-T1 with TB1-12 or TB1-13 TB3-T2 with TB1-12 or TB1-13
C
A
P
A
CITOR
15 μF
TB3-T1 with TB1-15 or TB1-16 TB3-T2 with TB1-15 or TB1-16
10C5--2
30uF
10R4--2
1 Mohm, 2w
10LF2
2
1
4
3
10K1
2
1
230 VAC RTR
60 VAC RTR
(S1,2--D2)
30uF
F1
T6A
8
9
5
4
6
Tube 1
11 12
13
14 15
16
10
1
2
3
K2--1
KCT
K2--3
KCT
TB1
TB1
K1--1
KACC
T1
TB2
Tube 2
T2
TB2
Tube 1
T2
TB3
T1
TB3
Tube 2
LF--RAC BOARD
47
2w
100 nF
1KV
10A1
T1/T2 COMM
(to 10TS2)
0VACRTR
2
3
1
10J8
10RC1
7
220V
150 V
0V
10T3
10C5--1
15uF
10R4--1
1Mohm,2w

Table of Contents

Related product manuals