EasyManua.ls Logo

Sedecal SHF-310 - Page 404

Default Icon
427 pages
Print Icon
To Next Page IconTo Next Page
To Next Page IconTo Next Page
To Previous Page IconTo Previous Page
To Previous Page IconTo Previous Page
Loading...
5
5
4
4
3
3
2
2
1
1
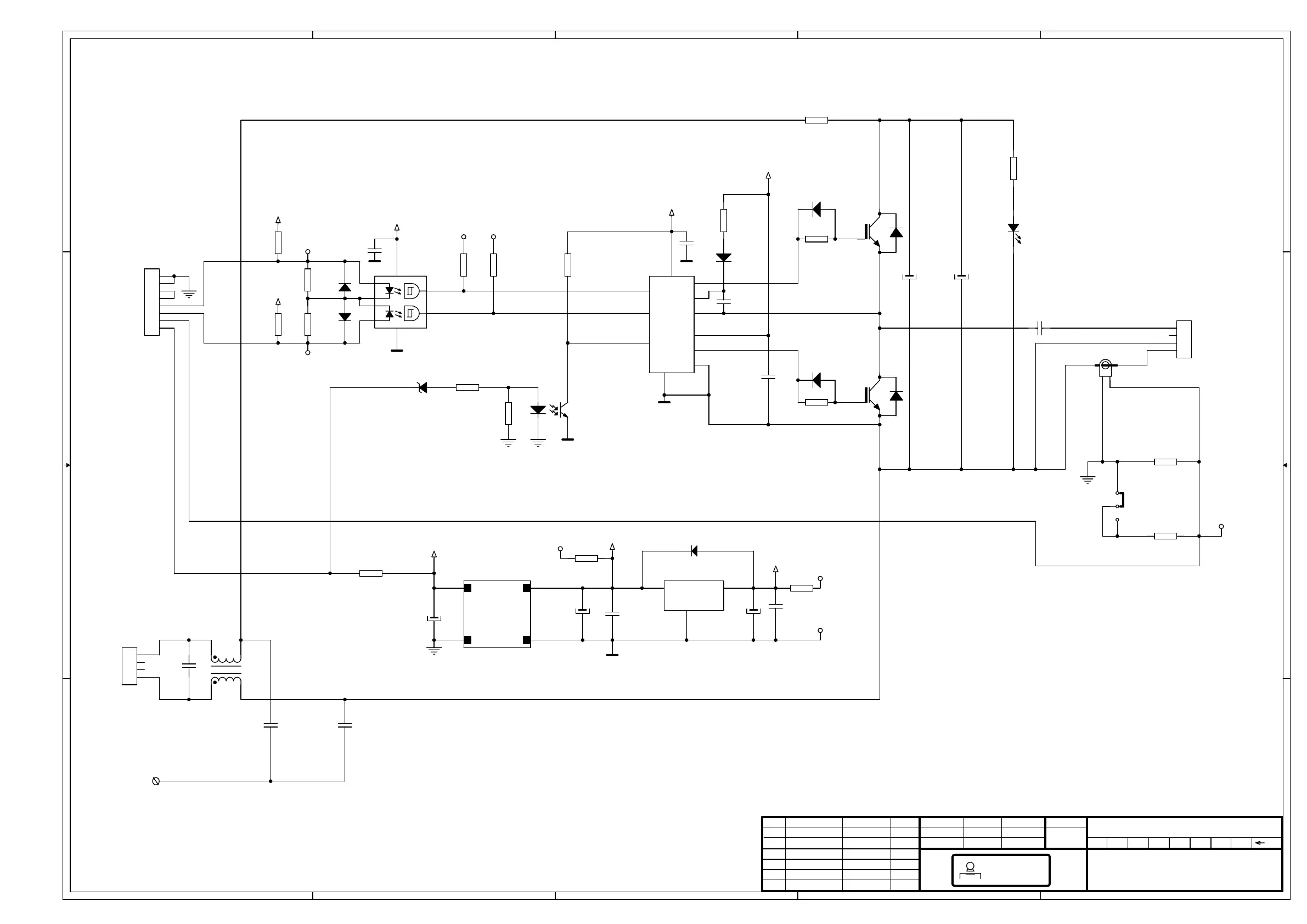
D D
C C
B B
A A
FIL PREHEAT
FIL SUP
FIL RTN
-SUPPLY
+SUPPLY
-FIL DR1
DELAY
+24V
-FIL DR2
FIL I
+5V
+5V
GND
GND
1V=0.31 Arms
PCB 90068-03
U3
NOTE 2
NOTE 1
NOTE 1: W1-A for version A3004-10/11/12, W1-B for version A3004-09
NOTE 1: W1-A para versión A3004-10/11/12, W1-B para versión A3004-09
NOTE 2: R11= 2K68 ohms for A3004-09/10
R11= 1K4 ohms for A3004-11
R11= 1K ohms for A3004-12
NOTE 2: R11= 2K68 ohms para A3004-09/10
R11= 1K4 ohms para A3004-11
R11= 1K ohms para A3004-12
1
2
5
4
Filament Driver HC
A3004-09/10/11/12
1/1
26/10/04F. Díaz
26/10/04
A. Díaz
Cb1
NC 05/112
b1b2Ab1
Bb1Cb1
REV DESCRIPTION ISSUED BY DATE
DRAWING
REVISED
NAME DATE SHEET / OF
REV
SEDECAL
EC4A13
1
13
11
10
+15V
+24V
+15V
+5V
+24V
+5V
+24V
+5V
R7
3K74
AB
W1
C15
100nF
+
C7
330uF/450V
C2
1uF
D6
1N4007
R15
10K
C3
1uF
D2
1N4148
TP6
D1
1N4148
D3
UF4006
C9
1.5uF/250V-X2
TP7
C10
10nF/250V-Y2
R1
100
U4
LM7805
1 3
2
IN OUT
GND
+
C5
10uF/50V
C4
100nF
C11
10nF/250V-Y2
Q2
SGP23N60UFD
D4
UF4006
R14
10K
TP8
R2
100
Q1
SGP23N60UFD
+
C13
10uF/50V
D5
UF4006
U2
HCPL2232
1
2
3
4
6
7
8
5
TP4
R9
10
+
C8
330uF/450V
P1
1
2
3
4
5
6
7
8
C6
470nF/630Vdc
T1
Pulse. PE-67300. 1 : 300
2
1
34
C12
100nF
+
C14
10uF/50V
P3
1
2
3
4
U1
IR2113
1
2
3
5
6
7
9
13
10
12
11
LO
COM
VCC
VS
VB
HO
VDD
VSS
HIN
LIN
SD
R3
10K
R4
10K
P2
1
2
3
4
R13
1 5W
L1
4
1
3
2
R10
2K43
R16
10K
R12
100K 3W
TP1
C1
100nF
R8
2K
TP3
R5
2K
TP2
D7
Green
D8
BZX55C18V
U5
H11AA1
R19
33
Ground stud
R17
1K
R6
3K74
R18
10K
R11
TP5

Table of Contents

Related product manuals