EasyManua.ls Logo

Sedecal SHF-310 - Page 90

Default Icon
427 pages
Print Icon
To Next Page IconTo Next Page
To Next Page IconTo Next Page
To Previous Page IconTo Previous Page
To Previous Page IconTo Previous Page
Loading...
SEDECAL
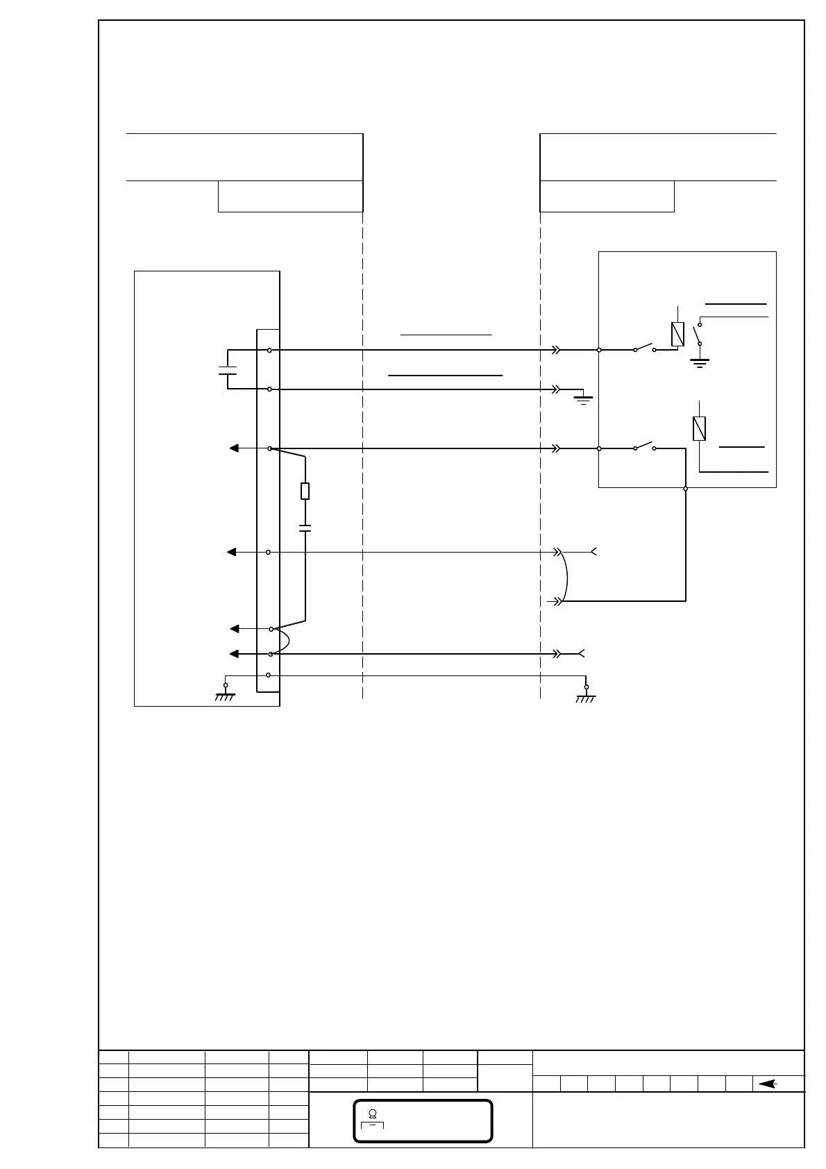
TABLE BUCKY INTERFACE
INTERFAZ BUCKY MESA
I/F--001
Interconnection Cable
NAME DATE
DRAWING
REVISED
SHEET / OF
7REV8
F. GARCIA 15/03/95
4/4
A. DIAZ 15/03/95
REV DESCRIPTION ISSUED BY DATE
Cable de Inerconexión
TS1--5
BUCKY 1 MOTION
INTERFACE PANEL
GENERATOR POWER MODULETABLE
TS1--6
BUCKY 1 MOTION RTN
TS1--4
BUCKY 1 DR
Interface Control Board
+24 VDC
K3
BUCKY EXP
+24 VDC
BUCKY 1
DR CMD
K5
K5
K5
J4 --11
J4 --8
TS1--3
115/220 VAC
0VAC
J4 --9
6
5
4
2
1
EXP INT
BUCKY START
BUCKY
BUCKY SPLY
TS1--27for115VAC
TS1--26 for 220 VAC
{
TS1--2
ADD JUMPER
GND
0VAC
F. GARCIA
BUCKY DONG--A
3
ADD
JUMPER
(SEE NOTE 1)
(SEE NOTE 2)
7
NOTE 1: Be sure that 6 terminal is
not connected to 4 terminal.
NOTE 2: Select correct voltage in the
bucky according to AC input
NOTA 1: Asegurarse que el terminal 6
no está conectado al 4.
NOTA 2: Seleccionar la tensión del
bucky según la entrada AC
09/09/02
F. GARCIA
Innomed added7
NOTA 3:
NOTE 3:
14/03/08Interf. board revised8
TS1--1
ADD JUMPER TO
En caso de ruidos debido al Bucky, añadir R2=22 ohm, 1/2w, 5%;
y C2=470 nF, 250 VAC según se muestra.
In the case of noise due to Bucky, add R2=22 ohm, 1/2w, 5%;
and C2=470 nF, 250 VAC as shown.
C2
R2
(SEE
NOTE 3)

Table of Contents

Related product manuals