EasyManua.ls Logo

Sedecal SHF-310 - Page 91

Default Icon
427 pages
Print Icon
To Next Page IconTo Next Page
To Next Page IconTo Next Page
To Previous Page IconTo Previous Page
To Previous Page IconTo Previous Page
Loading...
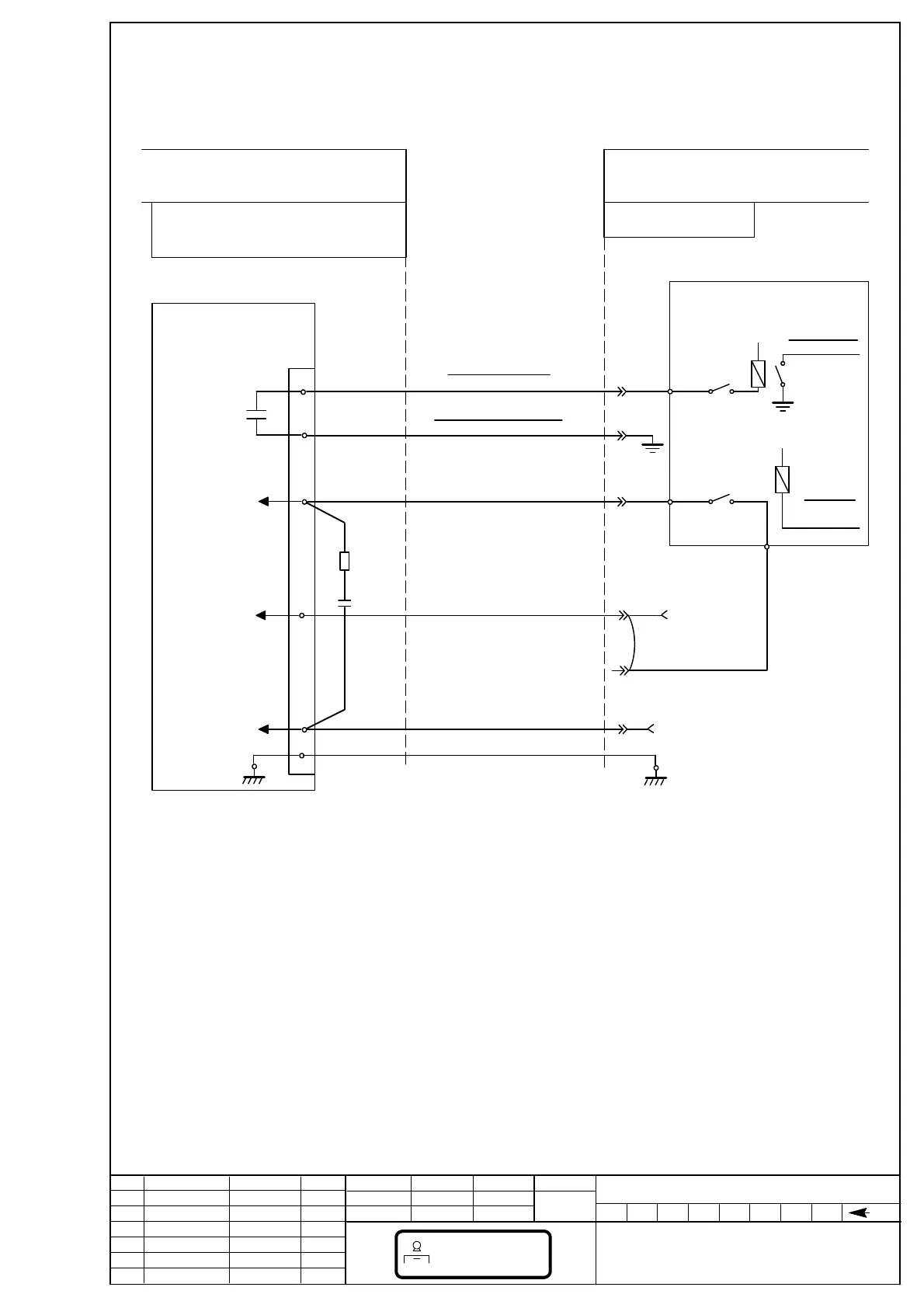
SEDECAL
VERTICAL BUCKY INTERFACE
INTERFAZ BUCKY VERTICAL
I/F--002
Interconnection Cable
NAME DATE
DRAWING
REVISED
SHEET / OF
7REV8
F. GARCIA 15/03/95
1/4
A. DIAZ 15/03/95
REV DESCRIPTION ISSUED BY DATE
Cable de Inerconexión
TS1--12
BUCKY 2 MOTION
INTERFACE PANEL
GENERATOR POWER MODULEVERTICAL BUCKY
TS1--13
BUCKY 2 MOTION RTN
TS1--11
BUCKY 2 DR
Interface Control Board
+24 VDC
K3
BUCKY EXP
+24 VDC
BUCKY 2
DR CMD
K4
K4
K4
J4--10
J4 --7
TS1--10
115/220 VAC
0VAC
J4 --9
B2
B1
B3
B8
B4
EXP INT
BUCKY START
Semi--Automatic
Bucky
BUCKY SPLY
TS1--27for115VAC
TS1--26 for 220 VAC
{
TS1--9
ADD JUMPER
GND
0VAC
F. GARCIA
(SEE NOTE 1)
NOTE 1: Be sure that B2 terminal is
not connected to B3 terminal.
NOTE 2: Select correct voltage in the
bucky according to AC input
(SEE NOTE 2)
NOTA 1: Asegurarse que el terminal
B2 no está conectado al B3.
NOTA 2: Seleccionar la tensión del
bucky según la entrada AC
09/09/02
F. GARCIA
Innomed added7
NOTA 3:
NOTE 3:
14/03/08Interf board revised8
TS1--8
ADD JUMPER TO
C2
R2
(SEE
NOTE 3)
En caso de ruidos debido al Bucky, añadir R2=22 ohm, 1/2w, 5%, y
C2=470 nF, 250 VAC según se muestra.
Para Bucky Liebel--Flarsheim Series 8000, no añadir esa R2--C2, y quitar
las resistencias R36 y R37 en la tarjeta INTERFACE CONTROL.
In the case of noise due to Bucky, add R2=22 ohm, 1/2w, 5%; and
C2=470 nF, 250 VAC as shown.
Don’t add that R2--C2 for Liebel--Flarsheim 8000 Series Bucky, and
remove resistor R36 and R37 in the INTERFACE CONTROL board.
BUCKY LIEBEL (Semi--Automatic)
BUCKY MIDWEST
BUCKY INNOMED (IBC 430)

Table of Contents

Related product manuals