EasyManua.ls Logo

Sonoscape S30 - Page 65

Sonoscape S30
139 pages
Print Icon
To Next Page IconTo Next Page
To Next Page IconTo Next Page
To Previous Page IconTo Previous Page
To Previous Page IconTo Previous Page
Loading...
57
Service Manual
5 Pin Descriptions
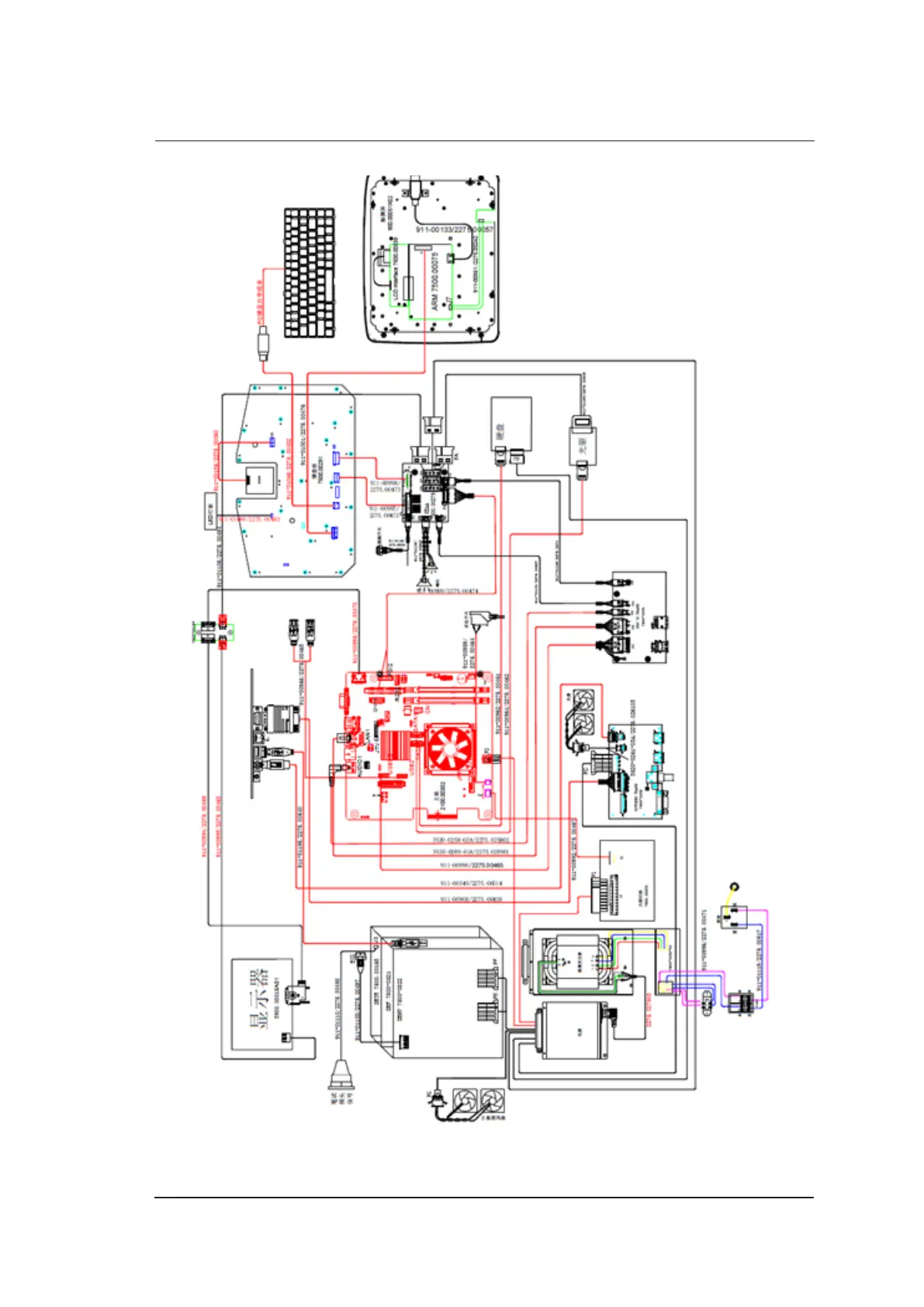
Figure 5-1 Overall System Connection

Table of Contents