EasyManua.ls Logo

Sony DCR-PC6E - Page 107

Sony DCR-PC6E
175 pages
Print Icon
To Next Page IconTo Next Page
To Next Page IconTo Next Page
To Previous Page IconTo Previous Page
To Previous Page IconTo Previous Page
Loading...
5-6
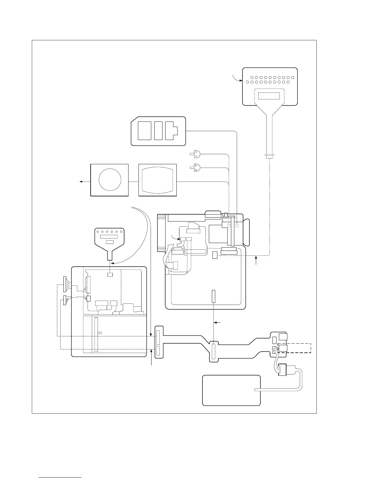
Fig. 5-1-3.
Vector scope
Must be connected when performing
the LCD system adjustments.
Must be connected when
performing the video or
EVF system adjustments.
Must be connected
Must be connected
Cabinet (R)
Color monitor
VIDEO (Yellew)
LANC
jack
AUDIO/VIDEO
jack
CN3351
CN3354
CN011
CN001
CN2105
CN2100
PD-148
board
Inverter
transformer
unit
CN2101
CN2104
CN2103
CN3018
CN3105
Note1
Note1
Note1: If CN3105 of BJ-002 board is mistaken for CN3100, the charge system of the unit may break.
So ascertain the color of the connector when assembling these connectors.
Note2: DCR-PC9/PC9E only.
Note2
CN3106
BJ-002 board
CN3107
DV jack
USB jack
DC IN jack
AC power adaptor
(8.4 Vdc)
AC-L10, AC-VQ800 etc.
CN3100
VC-265 board
CN004
CN013
CN012
CN3353
CF-085
board
CN009
CN3355
AUDIO L
(White)
AUDIO R
(Red)
Adjustment
remote commander
CPC-6 terminal board jig
(J-6082-371-A)
CPC-jig for LCD panel
(J-6082-529-A)
61
CPC-6 flexible jig
(J-6082-370-B)
Terminated at 75
(White)
(Blue)

Table of Contents

Related product manuals