EasyManua.ls Logo

Sony DCR-PC6E - Block Diagrams; Overall Block Diagram (1;3)(Dcr-Pc6 E)

Sony DCR-PC6E
175 pages
Print Icon
To Next Page IconTo Next Page
To Next Page IconTo Next Page
To Previous Page IconTo Previous Page
To Previous Page IconTo Previous Page
Loading...
DCR-PC6E/PC9/PC9E
SECTION 3
BLOCK DIAGRAMS
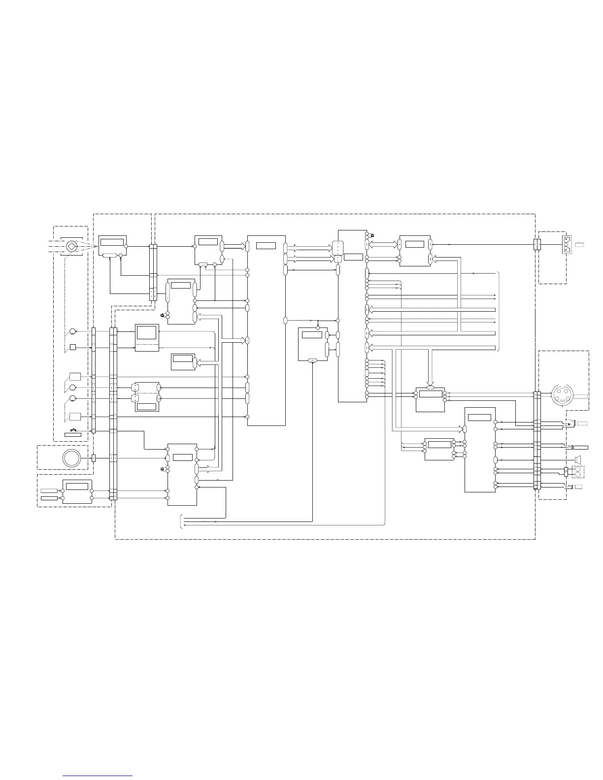
3-1. OVERALL BLOCK DIAGRAM (1/3)(DCR-PC6E)
3-1 3-2
( ) : Page No. shown in ( ) indicates the page to refer on the schematic diagram.
YC
G
G
X5301
24.576MHz
X1101
20MHz
X301
36MHz
42
139
IC1106
(4-62)
2
(4-24)
L
19
65
78
(BIRDS+)
CAMERA
PROCESS,
FOCUS/ZOOM
CONTROL,
EVR
17
152
61
M
TRCK
CN3355
105
140
PANEL B
(4-46
21
8
CN001
161
ENI,DIR 1A,DIR 1B
72
HD
VD
(4-46)
L
ZM A,B
ZM XA,XB
153
ZM RST
IC1001
(4-36)
32
IC5302
(4-33)
6
57
78
51
49
HD,VD
149
39
Y
69
23
(4-32)
23
8
DATA TO SFD
L
11
IC3201
190
42
17
70
FOCUS
MOTOR
3
TO
OVERALL
BLOCK DIAGRAM
(2/3)
R
IRIS HALL AMP
|
CAMERA CONTROL
(1/2)
IC5603
HALL +,-
V DRAIN
MF A,B
133
FOCUS
10
27
PROCESS
144
6
10
CN601
53
FC A,B
FC XA,XB
28
6
IC401
V1-V4,VSHT
H1,H2,RG
78
CN013
8
55
8
EVF R
AD CLK
211
CN603
127
DATA FROM SFD
112
37
39
16
17 17
16
39
37
170
19
195
5
CHARACTER
GENERATOR
SE3450
V
30
48
CN001
PS OUT
3
97
(CAIN)
1-4 10-13
32
C
35
MC BUS
18
L
IRIS DRIVE
SENSOR
5
16
TPA+,-
TPB+,-
85
14
YAW/PITCH
EXT MIC L
CN3354
CN3354
IC302
33
2
L
J601
SP001
132
MC BUS
66
52
201
Y
79
FRRV,TRRV,TRRT
14
L BUS
18
5
183
M
MIC
R
REC DT
72
48
3
30
A/V OUT
7
(XYZ)
MIC
L
R
FRRV,TRRV,TRRT
2
3
|
4
69
LENS ASSY
SPEAKER
IC3451
29
163
1
CN3351
179
38
142
EEPROM
205
8
69
213
R
58
2
138
H
59
I HALL AD
VSP SO,SCK
V
C
143
IC1104
R
81
DATA TO SFD
EVF B
47
23
XCS OSD
OSD SO
XOSD SCK
22
137
IRIS
(SHUTTER)
L
L
40
215
SFD BCK
19
NIGHT SHOT
115
FC RST
SENSOR
9
J603
43
3
XCS OSD, OSD SO, XOSD SCK
45
DV INTERFACE
131
17
(4-14)
MIC
21
88
24
CCD
IMAGER
4
141
27
FOCUS
RESET
SENSOR
IC801
VSP SO,SI,SCK
AGC
12
R
41
12
J605
191
45
YS OUT
AD SO,AD SCK
43
15
54
110
(SEE PAGE 3-5)
11
25
EVF G
42
54
22
21
AMP
ZOOM MOTOR
DRIVE
9
23
IRIS PWM
207
42
159
50
DATA FROM SFD
23
2
7
7
35
16
47
23
MANUAL
PANEL R
121
25
R
ZOOM
RESET
SENSOR
18
IC202
IC203
14
138
CL
141
I HALL AD
12
27
67
ACC
S VIDEO OUT
15
YAW SENSOR
|
43
199
HD,VD OE
194
106
HD,VD
HD,VD,OE
15
41
99
AUDIO
I/O
8
75
25
PITCH SENSOR
33
EXT MIC R
83
SFD BCK
140
ATF ERR
47
184
Y
46
53
CAM SO,SI,SCK
J602
16
85
SPCK
M
13
111
5
ZOOM SW AD
6
16
5
HEADPHONE
32
ZOOM
MOTOR
44
AD SO
AD SCK
37
SE3451
PH6201
PH6202
1
IC303
FOCUS MOTOR
DRIVE
79
1
(SEE PAGE
3-8)
(GCAM3)
S/H,AGC
A/D CONV.
63
Y0-Y7
SP+,-
DV OUT
REC CK
36
6
14
Y0-Y7
3
CF-085 BOARD(1/2)
3
PANEL G
LCK
TO
OVERALL
BLOCK DIAGRAM
(3/3)
49
PB CK
43
C0-C3
73
17
4
139
56
70
28
3
C0-C3
2
29
203
81
21
ZOOM SW AD
C
AD0-AD9
MSUB
8
59
46
(LIP)
33
6
(4-29)
COL0
|
COL3
CN3108
(4-30)
CLP OB
2
55
65
19
71
(4-19)
145
68
AD DT
IRIS PWM
(4-20)
25
IC5301
72
(ADC&DAC)
29
32
11
39
DV SIGNAL
141
7
54
IRIS
METER
153
TIMING
GENERATOR
14
D/A CONV.
A/D CONV.
(TAKO)
23
|
4
16
(4-12)
PANEL R,G,B,EVF R,G,B,HD,VD
36
12
14
12
2
37
18
(4-21)
142
20
65
16
(4-33)
R
66
30
81
LINE OUT
CLPDM,PBLK
XSHP,XSHD
IC204
55
35
(SEE PAGE 4-66)
BJ-002/002A
BOARD
(1/4)
DRIVE +,-
CCD OUT
12
47
(4-23)
ENO,DIR OA,DIR OB
64
156
CN012
MIC L
1
9
19
27
IC1002
39
42
71
31
MIC R
MF-325
BOARD
(SEE PAGE 4-62)
CONTROL
SWITCH
BLOCK
(FK-1770)
(1/2)
X5301
24.576MHz
X1101
20MHz
X301
36MHz
42
139
IC1106
2
(4-24)
19
65
78
(BIRDS+)
CAMERA
PROCESS,
FOCUS/ZOOM
CONTROL,
EVR
17
152
61
M
TRCK
CN3355
105
140
PANEL B
(4-46)
21
8
CN001
161
ENI,DIR 1A,DIR 1B
72
HD
VD
(4-46)
L
ZM A,B
ZM XA,XB
153
ZM RST
IC1001
(4-36)
32
IC5302
(4-33)
6
57
78
51
49
HD,VD
149
39
Y
69
23
(4-32)
23
8
DATA TO SFD
11
IC3201
190
42
17
70
FOCUS
MOTOR
3
TO
OVERALL
BLOCK DIAGRAM
(2/3)
IRIS HALL AMP
|
CAMERA CONTROL
(1/2)
IC5603
HALL +,-
V DRAIN
MF A,B
133
FOCUS
10
27
PROCESS
144
6
10
53
FC A,B
FC XA,XB
28
6
IC401
V1-V4,VSHT
H1,H2,RG
78
CN013
8
55
8
EVF R
AD CLK
211
127
DATA FROM SFD
112
37
39
16
17 17
16
39
37
170
19
195
5
CHARACTER
GENERATOR
SE3450
V
30
48
CN001
PS OUT
97
(CAIN)
1-4 10-13
32
C
35
MC BUS
18
L
IRIS DRIVE
SENSOR
5
16
TPA+,-
TPB+,-
85
14
YAW/PITCH
EXT MIC L
CN3354
CN3354
IC302
33
2
L
132
MC BUS
66
52
201
79
FRRV,TRRV,TRRT
14
L BUS
18
5
183
M
VC-265/265A BOARD(1/3)
REC DT
72
48
3
30
7
(XYZ)
R
FRRV,TRRV,TRRT
2
3
|
4
69
LENS ASSY
IC3451
29
163
1
CN3351
179
38
142
EEPROM
205
8
69
213
58
2
138
H
59
I HALL AD
VSP SO,SCK
C
143
IC1104
81
DATA TO SFD
EVF B
47
23
OSD SO
XOSD SCK
22
137
IRIS
(SHUTTER)
L
40
215
SFD BCK
19
NIGHT SHOT
115
FC RST
SENSOR
9
43
3
XCS OSD, OSD SO, XOSD SCK
45
DV INTERFACE
131
17
(4-14)
21
88
24
CCD
IMAGER
4
141
27
FOCUS
RESET
SENSOR
IC801
VSP SO,SI,SCK
AGC
12
R
12
191
45
YS OUT
AD SO,AD SCK
15
54
110
(SEE PAGE 3-5)
11
25
EVF G
42
54
22
21
AMP
ZOOM MOTOR
DRIVE
9
23
IRIS PWM
207
42
159
50
DATA FROM SFD
23
2
7
7
35
16
47
23
MANUAL
PANEL R
121
25
R
ZOOM
RESET
SENSOR
18
IC202
IC203
14
138
CL
141
I HALL AD
12
27
67
ACC
15
YAW SENSOR
|
199
HD,VD OE
194
106
HD,VD
HD,VD,OE
15
99
AUDIO
I/O
8
75
25
PITCH SENSOR
33
EXT MIC R
83
SFD BCK
140
ATF ERR
47
184
Y
46
53
CAM SO,SI,SCK
16
85
SPCK
M
13
111
5
ZOOM SW AD
6
16
5
32
ZOOM
MOTOR
44
AD SO
AD SCK
37
SE3451
PH6201
PH6202
1
IC303
FOCUS MOTOR
DRIVE
79
1
(SEE PAGE
3-8)
(GCAM3)
S/H,AGC
A/D CONV.
63
Y0-Y7
SP+,-
DV
REC CK
36
6
14
Y0-Y7
3
CF-085 BOARD(1/2)
3
PANEL G
LCK
TO
OVERALL
BLOCK DIAGRAM
(3/3)
49
PB CK
43
C0-C3
73
17
4
139
56
70
28
3
C0-C3
2
29
203
81
21
ZOOM SW AD
AD0-AD9
MSUB
8
59
46
(LIP)
33
6
(4-29)
COL0
|
COL3
(4-30)
CLP OB
2
55
65
19
71
(4-19)
145
68
AD DT
IRIS PWM
(4-20)
25
IC5301
72
(ADC&DAC)
29
32
11
39
DV SIGNAL
141
7
54
IRIS
METER
153
TIMING
GENERATOR
14
D/A CONV.
A/D CONV.
(TAKO)
23
|
4
16
(4-12)
PANEL R,G,B,EVF R,G,B,HD,VD
36
12
14
12
2
37
18
(4-21)
142
20
65
16
(4-33)
R
66
30
81
LINE OUT
CLPDM,PBLK
XSHP,XSHD
IC204
55
35
DRIVE +,-
CCD OUT
12
47
(4-23)
ENO,DIR OA,DIR OB
64
156
CN012
MIC L
1
9
19
27
IC1002
39
42
71
31
MIC R
MF-325
BOARD
MIC901
MIC UNIT

Table of Contents

Related product manuals