EasyManua.ls Logo

Sony DCR-PC6E - Page 82

Sony DCR-PC6E
175 pages
Print Icon
To Next Page IconTo Next Page
To Next Page IconTo Next Page
To Previous Page IconTo Previous Page
To Previous Page IconTo Previous Page
Loading...
DCR-PC6E/PC9/PC9E
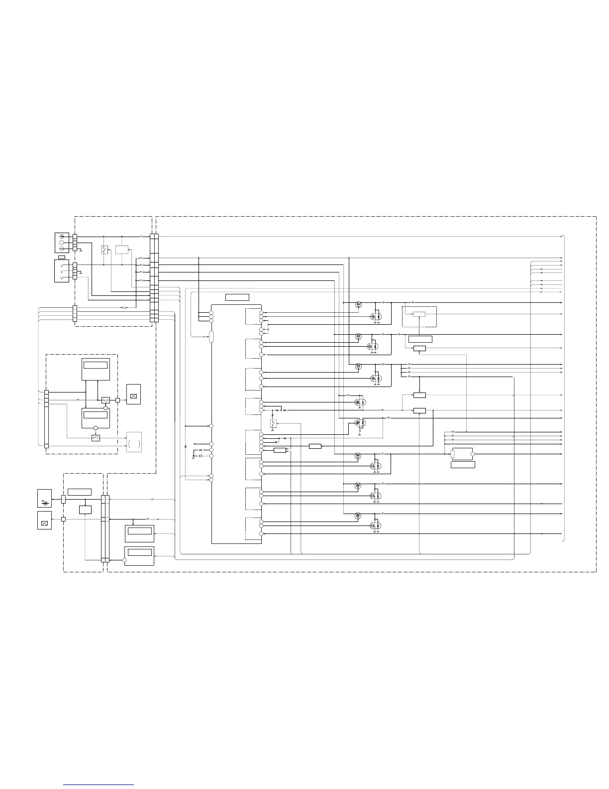
3-5. POWER BLOCK DIAGRAM (1/2)
( ) : Page No. shown in ( ) indicates the page to refer on the schematic diagram.
3-9 3-10
L1605
L1618
L1614
L1612
Q1610
L1608
L1609
L2103
L1803
L1610
47
29
28
53
31
23
30
50
41
19
16
42
20
57
IC1600
DC/DC CONVERTER
14
56
7
6
80
72
26
24
25
78
27
VDD
VB
RT
CT
CTL
RST
+IN8
CAM DD ON
CAM DD ON
VTR DD ON
OUT4-P
OUT4-N
OUT6-PVCC(0)-1
VDD(0)-1
VDD(0)-3
VCC(0)-2
VCC(0)-3
OUT6-N
OUT9-N
OUT8-P
OUT8-N
+IN7
OUT7-P
OUT7-N
52
38
39
V-IN5
OUT5-P
OUT5-N
V-IN4
-IN6
-IN9
SWITCHING
Q1616
SWITCHING
V-IN3
OUT3-P
32
OUT3-N
54
33
VTR DD ON
IC1602
EVER 3.0V
AU 4.6V
A 4.6V
AU 4.6V
A 4.6V
D 3.1V
D 1.9V
RP 4.6V
RP 4.6V
BATT SIG
BATT UNREG
TO
POWER
BLOCK
DIAGRAM
(2/2)
PD-148/148A
BOARD
5
6
7
15
18
PANEL/EVF 4.6V
PANEL/EVF 2.8V
4
IC2103
TIMING
GENERATOR
IC2101
RGB
DRIVE
BLON
Q2181,2182
PANEL/EVF 13.5V
CN2100
LCD
LCD901
UNIT
INVERTER
BLOCK
BACK
LIGHT
DRIVE
BATT UNREG
BATT/XEXT
INIT CHARGE ON
FAST CHARGE
VTR DD ON
CAM DD ON
VTR UNREG
MT 4.8V
D 1.5V
CAP VS
CAIN 2.8VCAIN 2.8V
CAP ERROR
DRUM VS
DRUM ERROR
EVER 3.0V
CS DD, OSD SO, XOSD SCK
LCD
UNIT
1
21
CN001
CN3702
IC1802
IC3701
IC1803
TIMING
GENERATOR
RGB
DRIVE
PANEL/EVF 4.6V
PANEL/EVF 13.5V
PANEL/EVF 2.8V
PANEL/EVF 2.8V
16
P UNREG
Q2102,
2104
14
POFF
CN2104
BACK
LIGHT
(4-70)
(4-70)
(4-48)
(4-13)
(4-48)
(4-49)
IC1601
(4-52)
(SEE PAGE
3-11)
2
FBIO
1
-IN(S)9
10-IN(S)10
5OUT(A)10
4-IN(A)10
22OUT10-P
2.8V REG
3
5
2
VTR UNREG
UNREG3
UNREG2
CN012
D 2.8V
PANEL/EVF 2.8V
PANEL/EVF 13.5V
PANEL/EVF 4.6V PANEL/EVF 4.6V
CAM 12V
CAM -6.5V
CAM -6.5V
CAM 12V
PANEL/EVF 13.5V
A 2.8V
AU 2.8V
D 2.8V
A 2.8V
AU 2.8V
5656
53
55
53
55
8
LED ON/OFF
16
EVF VCC
17
19
17
21
16
19
CN3354
1
6
CN3701
LED902
LCD902
LED
DRIVE
SWITCH
Q1606
13.5V REG
Q1628-1630,1632
12V REG
Q1621-1624
SWITCH
Q1605
Q3701-3703
CF-085
BOARD(1/2)
VC-265/265A BOARD(1/2)
UNREG1
(4-51)
S
F3100
BATTERY
TERMINAL
15 15
17
18
17
13 13
16 16
18
BJ-002/002A BOARD
22
24
20
26
32
28
30
36
34
40
38
22
24
20
26
32
28
30
36
34
40
38
CN3108
Q3101
Q3100,
CHARGE
SWITCH
CN3105
CN3100
BT901
J901
BATT UNREG
ACV UNREG
BATT SIG
BATT/XEXT
BATT GND
ACV GND
CN3106
P UNREG
FAST CHARGE
BATT SIG
BATT/EXT
INIT
CHARGE ON
PANEL/EVF 4.6V
PANEL/EVF 2.8V
PANEL/EVF 13.5V
Q3102,
Q3103
F3101
F3104
F3102
F3103
F3105
2
1
3
DC IN
2
2
1
3
10
12
11
46
44
XCS DD
OSD SO
XOSD SCK
|
L1604
Q1609
SWITCHING
Q1615
SWITCHING
L1606
Q1611
SWITCHING
Q1617
SWITCHING
L1603
Q1608
SWITCHING
Q1614
SWITCHING
L1602
Q1607
SWITCHING
Q1613
SWITCHING
L1607
L1619
Q1612
SWITCHING
Q1619
SWITCHING
Q1620
L1601
SWITCHING
L1600
Q1618
L1620
SWITCHING
Q1602
3.1V REG
Q1625-1627,1631
L1617
L1615
L1613
L1611
1.5V REG
Q1633,1634
3
3
(SEE PAGE 4-66)
(PC9/PC9E)
0

Table of Contents

Related product manuals