EasyManua.ls Logo

Sony DCR-PC6E - Page 95

Sony DCR-PC6E
175 pages
Print Icon
To Next Page IconTo Next Page
To Next Page IconTo Next Page
To Previous Page IconTo Previous Page
To Previous Page IconTo Previous Page
Loading...
DCR-PC6E/PC9/PC9E
4-64
JACK, BATTERY
BJ-002/002A
/
PANEL OPEN
PO-007
PANEL REVERSE
PR-037
/
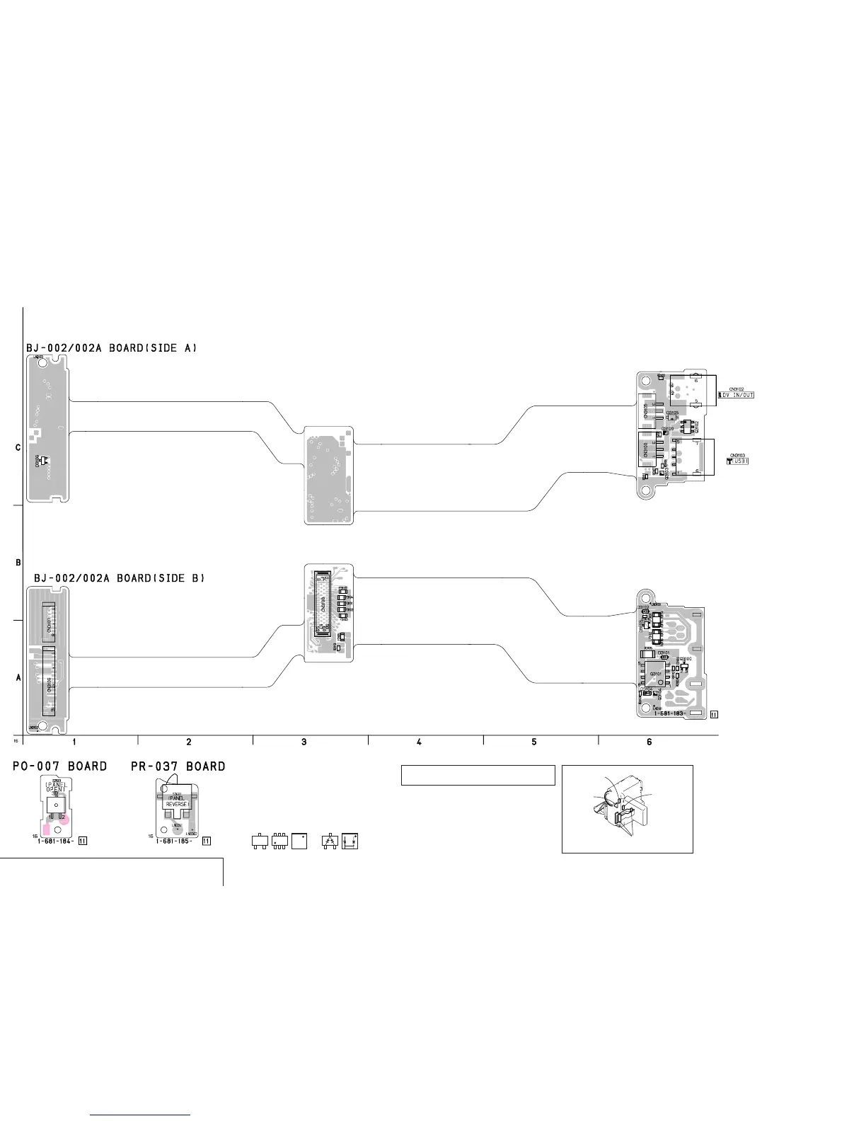
BJ-002/002A (JACK, BATTERY), PO-007 (PANEL OPEN), PR-037 (PANEL REVERSE) PRINTED WIRING BOARDS
Ref. No. BJ-002/002A, PO-007, PR-037 Boards; 30,000 Series
BJ-002 (PC9/PC9E)
BJ-002A (PC6E)
(JACK, BATTERY)
PR-037
(PANEL REVERSE)
PO-007
(PANEL OPEN)
MF-325
(MF SENSOR)
For printed wiring board
Refer to page 4-78 for parts location
(BJ-002/002A board)
.
BJ-002/002A board consists of multiple layers. How-
ever, only the sides (layers) A and B are shown.
PO-007, PR-037 boards consists of multiple layers.
However, only the side (layer) A is shown.
Chip parts (BJ-002/002A board only)
Transistor Diode
C
BE
5
64
2
13
3
21
EB
CC
21
34
There are a few cases that the part printed on
this diagram isnt mounted in this model.
BJ-002 Board : DCR-PC9/PC9E
BJ-002A Board: DCR-PC6E

Table of Contents

Related product manuals