EasyManua.ls Logo

wsm M8540NARROW - 1 Wiring Diagram; Rops Model; Except ITA Model

wsm M8540NARROW
303 pages
Print Icon
To Next Page IconTo Next Page
To Next Page IconTo Next Page
To Previous Page IconTo Previous Page
To Previous Page IconTo Previous Page
Loading...
ELECTRICAL SYSTEM
M8540Narrow, M9540Narrow, WSM
N9-M1
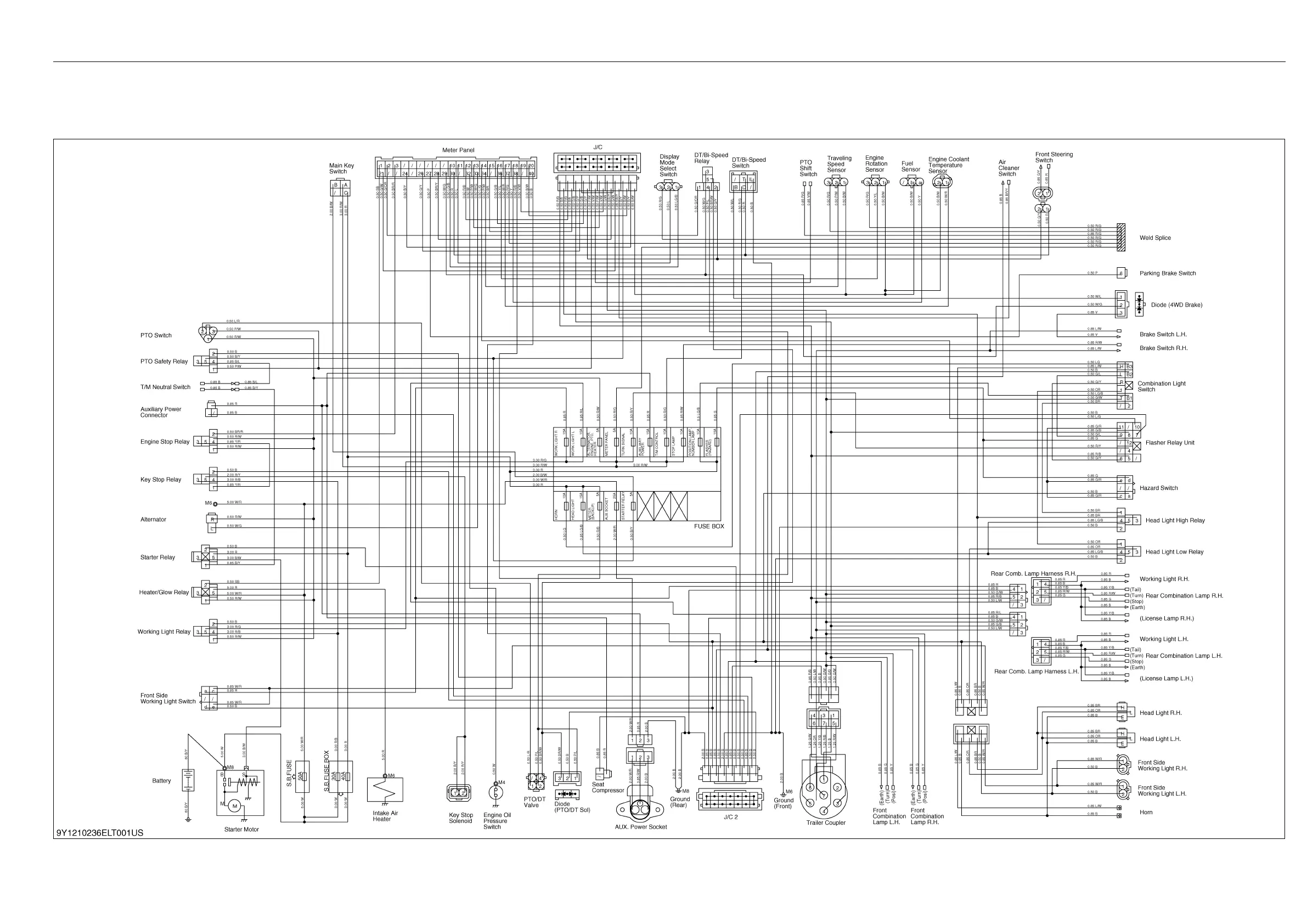
1. WIRING DIAGRAM
[1] ROPS MODEL
(1) Except ITA Model
KiSC issued 07, 2013 A

Table of Contents

Related product manuals